Foram encontradas 50 questões.

Sobre o circuito acima, são feitas as seguintes afirmações:
I - As três resistências estão ligadas em série.
II - As três resistências estão ligadas em paralelo.
III - A resistência equivalente da associação vale:
\( \dfrac{R_1.R_2.R_3}{R_1.R_2+R_1.R_3+R_2.R_3} \)
Assinale a opção correta.
Provas
Uma carga equilibrada de resistores de 20\( \Omega \), ligada em Y, é conectada a uma fonte trifásica de 380V, 3 condutores. Qual é a corrente eficaz de linha, aproximada, em A, desta carga”?
Provas
Correlacione as grandezas fundamentais da Luminotécnica com suas respectivas unidades.
GRANDEZAS DA LUMINOTÉCNICA
I - Candela (cd)
II - Lúmen (lm)
III - Lux (lx)
IV - cd/m2
V - LM/w
VI - Lux/W
UNIDADES DE MEDIDA
( ) Fluxo luminoso
( ) Eficiência Luminosa
( ) Intensidade Luminosa
( ) Iluminamento
( ) Luminância
Provas
Um motor monofásico, 127 V, 60 Hz, de fase dividida e partida a resistência, tem impedância de enrolamento principal \( 2(0,5+j\sqrt{3}/2)\Omega \), impedância de enrolamento auxiliar \( (\sqrt{3}/2+j0,5)\Omega \) e torque de partida igual a 2,0 N.m. Para partida foi colocado em série com o enrolamento auxiliar um capacitor de \( 1/2_{\pi f} \) onde \( f \) e igual a frequência. Determine o novo torque de partida do motor em N.m..
Provas
A razão de espiras de um transformador para casar uma carga de 10 \( \Omega \) com uma outra de 1.000\( \Omega \) é de
Provas

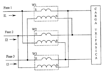
A figura acima representa um esquema de ligação de 3 wattímetros, que é empregado para medição de potência reativa (O) de circuitos trifásicos equilibrados e desequilibrados. A respeito deste esquema para medição é correto afirmar que:
Provas
A potência instantânea absorvida por um circuito é p(t)= 8 + 8 sen(377t + 40º) W. As potências mínima, média e máxima são, respectivamente, em W
Provas
No gistema SI, ag grandezas magnéticas de (luxo, densidade de fluxo, intensidade de campo, força magnetomotriz, permeabilidade relativa são expressas, respectivamente, nas unidades
Provas
De forma a determinar as perdas rotacionais, um gerador derivação "CC", 40 kW, 200 V, 1.500 rpm, foi posto a funcionar, a vazio, como motor, na velocidade nominal e com tensão nos seus terminais de 230 V. A corrente absorvida da linha foi de 8 A. Qual é o rendimento aproximado do gerador para uma carga de 49% da nominal, sabendo-se que a resistência de campo é de 100 \( \Omega \) e que a resistência da e armadura é de 0,2 \( \Omega \)?
Provas

No circuito acima, X é uma caixa de capacitores com capacitância total de 20 \( \ mu \)F e, K e K são dois interruptores fechados. O que deve ser feito para reduzir ao mínimo a capacitância do referido trecho AB?
Provas
Caderno Container