Foram encontradas 50 questões.
Como é denominada a linha que separa o logradouro público do terreno?
Provas
Observe a figura abaixo.

Em relação aos detalhes do telhado, é correto afirmar que os elementos I, II e III destacados na figura representam, respectivamente:
Provas
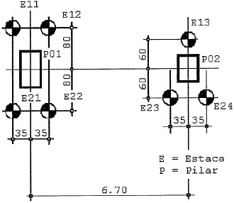
Observe as figuras abaixo.

Sendo “I" a perspectiva e "II" a vista superior do objeto, qual das figuras abaixo NÃO representa uma de suas vistas?
Provas
Ao desenhar uma sala de estar com 6,00 metros de comprimento e 3,00 metros de largura, e levando em consideração que a carga mínima é de 25W, como determina a ABNT, qual deverá ser a carga de iluminação necessária?
Provas
Observe as representações:

De acordo com a NBR 6492, na representação gráfica de arquitetura, as linhas I, II e III são, respectivamente,
Provas
Observe a figura abaixo que representa uma instalação sanitária.

Quais os tipos de ramais indicados pelos números I, II e III, respectivamente?
Provas
O esquadro em forma de triângulo retângulo escaleno serve para traçar linhas a
Provas
Observe a figura:

Em relação aos tipos de projetos necessários à uma construção, é correto afirmar que o desenho acima representa uma planta
Provas
Que tipo de sistema de distribuição predial de água potável deve ser utilizado, quando a pressão da rede pública é insuficiente e há descontinuidade de abastecimento?
Provas
Qual a fase do projeto de arquitetura que apresenta, de forma clara e organizada, todas as informações necessárias à execução da obra e todos os serviços inerentes?
Provas
Caderno Container