Foram encontradas 50 questões.
Observe a figura abaixo.

No circuito representado a corrente de dreno é de 1mA. Qual é a tensão VGS, em volts?
Dados:
\( R_D = 4,7k\Omega \)
\( R_S = 1k\Omega \)
\( R_G = 100k\Omega \)
Provas
Assinale a opção que completa corretamente as lacunas da sentença abaixo.
Um amplificador com realimentação de tensão não-inversora é aproximadamente um amplificador ideal devido à sua impedância de entrada, à sua impedância de saída e ao seu ganho de tensão .
Provas
A definição da atenuação em um determinado comprimento de onda em uma fibra óptica qualquer é
\( \alpha (\lambda) = (10 \text{log}/L) \cdot P_1 (\lambda) / P_2 (\lambda) \), onde L é o comprimento da fibra em km e P1 e P2 correspondem à potência na extremidade de entrada e saída da luz, respectivamente. Assim, quais são os métodos usuais para medir essa atenuação?
Provas
Coloque F (falso) ou V (verdadeiro) nas afirmativas abaixo, em relação às baterias e assinale, em seguida, a opção correta.
( ) A saída total da tensão de uma bateria formada por três pilhas em paralelo é a mesma que a de uma única pilha, mas a corrente total disponível é o triplo da fornecida por uma única pilha.
( ) Quando se recarrega uma bateria, o seu terminal positivo é ligado ao terminal negativo do carregador de bateria, e o terminal negativo é ligado ao terminal positivo do carregador.
( ) Quando várias pilhas são ligadas em série, a tensão total através da bateria de células é igual à soma da tensão em cada uma das pilhas separadamente e a corrente total é a mesma que passa por uma única pilha.
( ) A capacidade de uma bateria é dada em ampéres-hora (Ah) e determina o tempo em que ela funcionará com uma dada taxa de descarga.
( ) Uma bateria é recarregada passando-se através dela uma corrente no mesmo sentido ao de sua corrente de descarga.
Provas
Observe o circuito:

O gráfico que apresenta a forma de onda correspondente à saída do circuito acima é a da opção
Provas
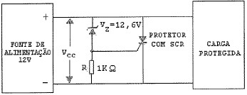
Observe a figura abaixo.

No circuito "alavanca' apresentado, qual a tensão da fonte, em volts, a partir da qual a proteção entra em funcionamento?
Dados:
Considere o disparo do SCR em 0,7V
Provas
Observe a figura abaixo.

A bobina acima possui 20 espiras, 10 cm de comprimento e está enrolada em um núcleo de ferro de 20 cm de comprimento. Qual a intensidade do campo magnético da bobina, em Ae/m, considerando que passa por ela uma corrente de 5 ampéres?
Provas
Assinale a opção que completa, corretamente, as lacunas da sentença abaixo.
As memórias permitem a escrita e a leitura de dados e são voláteis, isto é, perdem seus dados armazenados com o desligamento da alimentação. Enquanto as memórias permitem somente a leitura de dados nela gravados previamente em sua fabricação e são não-voláteis.
Provas
Num oscilador onde um cristal é usado no elo de realimentação, a grande estabilidade de frequência deve-se ao fato desse cristal atuar como um
Provas
Assinale a opção que completa corretamente as lacunas da sentença abaixo.
Os reguladores chaveados são muito utilizados em fontes de alimentação de computadores pessoais porque são capazes de proporcionar correntes em tensões.
Provas
Caderno Container