Foram encontradas 50 questões.
Um amplificador de áudio com ganho de tensão de 20dB é posto em série com outro amplificador com ganho de tensão de 40dB. Se na entrada deste conjunto amplificador são introduzidos 10mV, qual será a tensão de saída em Volts?
Provas
Com relação à propagação de ondas eletromagnéticas, é INCORRETO afirmar que
Provas
Qual o escorregamento de um motor síncrono?
Provas
Observe a figura a seguir.

Sabendo-se que R= 10, qual é a corrente i(t) no capacitor do circuito da figura acima, onde as fontes têm frequências diferentes?
Provas
Com relação às antenas helicoidais, é correto afirmar que
Provas
Para um sinal senoidal de 220Vrms e frequência de 60Hz, que alimenta um transformador ideal com 110 espiras no enrolamento primario e 33 espiras no secundário, é correto afirmar que a tensão RMS do secundário será de
Provas
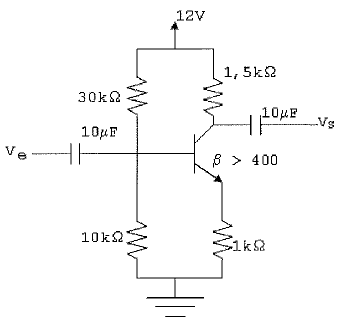
Observe a figura que se segue.

Qual o ganho aproximado, para pequenos sinais, do amplificador classe A de emissor comum apresentado na figura acima?
Provas
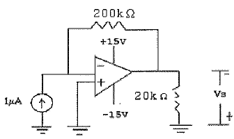
Observe o circuito abaixo.

Quanto vale a tensão de saída, Vs, da figura acima?
Provas
Com relação à utilização dos sinais de radiofrequência, usualmente alocados em 8 subdivisões, é correto afirmar que
Provas
Analise a figura a seguir.

Para o circuito da figura acima, qual o valor da corrente de dreno do MOSFET de modo intensificação, sabendo-se que Vdd = +20V, Vgs = +3V, a tensão de limiar ou tensão de THRESHOLD (Vgs(th) = Vt0 ) é igual a +0,4V, Vgs(on) = Vgs(ligado)= +6V, Id(on) = Id(ligado) = +2mA?
Provas
Caderno Container