Foram encontradas 50 questões.
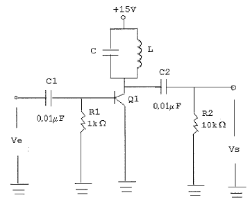
Analise a representação a seguir.

Para o amplificador classe B da figura acima, com um sinal Ve de entrada com 5V pico a pico e tensão base-emissor do transistor igual a 0,7V, qual o valor da indutância da bobina L, considerando o Q da mesma igual a 100, para que a frequência do sinal de saída Vs seja igual a 10,2MHz e o capacitar C igual a 220pF?
Provas
Analise a figura abaixo.

O voltímetro da figura apresentada tem fundo de escala 20V e sensibilidade 400!$ \Omega !$/V. Qual o valor de tensão que é lido no medidor?
Provas
Qual a razão de espiras de um transformador usado para "casar" uma impedância de 14, 4k0 com uma carga de 4 000?
Provas
Com relação aos circuitos retificadores em configuração de meia onda, onda completa e em ponte, é correto afirmar que
Provas
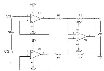
Observe o circuito a seguir.

No circuito da figura acima, considerando os amplificadores operacionais como sendo ideais, é correto afirmar que a tensão de saída Vs é dada pela expressão:
Provas
Uma indústria alimentada com 220V/60Hz consome 50kW. A potência reativa é indutiva e vale 37,5kVAR. Qual o valor do capacitar a ser colocado em paralelo com o circuito, de modo a anular essa potência reativa?
Provas
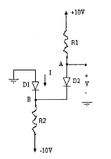
Observe a figura a seguir.

Sabendo-se que R1= 5k!$ \Omega !$ e R2=10k!$ \Omega !$, qual o estado dos diodos D1 e D2 na figura acima?
Provas
Coloque V (verdadeiro)ou F(falso) nas afirmativas abaixo, com relação às memórias, e assinale a opção que apresenta a sequência correta
( ) As memórias são dispositivos que armazenam informações que poderão ser números,letras,caracteres quaisquer, comando de operações, endereços, ou qualquer tipo de dado.
( ) As memórias de escrita/leitura são aquelas que não permitem acesso a uma localidade qualquer para que escrevamos a informação desejada.
( ) As memórias de armazenamento estático são aquelas em que se necessita inserir a informação de tempos em tempos, pois, de acordo com as características de seus elementos internos, perdem essas informações após um determinado tempo.
( ) As memórias de armazenamento dinâmico são aquelas em que uma vez inserido o dado numa dada localidade, este lá permanece.
( ) As memórias voláteis são aquelas que, ao ser cortada a alimentação, perdem as informações armazenadas.
Provas
Analise a representação a seguir.

Qual o valor da tensão sobre o capacitar de 3mF do circuito da figura acima, sabendo que R=0,5!$ \Omega !$ e que o circuito está em ressonância?
Provas
Observe o circuito a seguir.

Sabendo-se que R1=4, 5!$ \Omega !$, R2=3!$ \Omega !$, R3=2!$ \Omega !$ e R4=1!$ \Omega !$, qual é a corrente i do circuito da figura acima?
Provas
Caderno Container