Foram encontradas 1.200 questões.
Analise a figura a seguir.

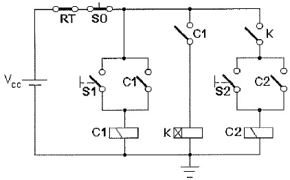
A figura acima apresenta o circuito lógico para o comando de duas máquinas trifásicas, acionadas por intermédio dos contatares C1 e C2. As chaves S0, S1 e S2 são do tipo sem retenção, e K representa um relé com retardo na ligação, programado para 5 minutos. Considere que acionar uma chave significa apertá-la e soltá-la em seguida. Com relação ao funcionamento do sistema, em condições normais, e supondo os contatares C1 e C2 inicialmente desenergizados, analise as afirmativas abaixo.
I - Se a chave S1 for acionada, então a máquina comandada por C1 entrará em funcionamento e, após 5 minutos, a máquina comandada por C2 também entrará em funcionamento.
II - Se a chave S2 for acionada, a máquina comandada por C2 entrará imediatamente em funcionamento, independente do estado do contatar C1.
III- Se as chaves S1 e S2 forem acionadas nesta ordem, porém com defasagem de 2 minutos, então somente a máquina comandada por C1 entrará em funcionamento.
Assinale a opção correta.
Provas
Qual o valor da reatância indutiva, em !$ \Omega !$, de uma bobina do primário de um transformador de potência, que apresenta indutância de 50mH, resistência desprezível, e opera a uma frequência de 60Hz?
Provas
Analise o circuito a seguir.

Determine a resistência de Thevenin entre os pontos b e c, e assinale a opção correta.
Provas
Toda instalação elétrica de alta e baixa tensão, para funcionar satisfatoriamente e com segurança, deve ter um sistema de aterramento dimensionado adequadamente para as condições de cada projeto. Em relação a essas informações, é correto afirmar que:
Provas
Uma máquina elétrica de 2 polos tem uma onda de densidade de fluxo retangular de 1T de altura; comprimento axial "1" de 0,5m; rotor com raio "r" de 0,2m; e rotor com uma única bobina de 20 espiras com passo pleno. Quando a corrente na bobina for 1A e a velocidade de rotação 955rpm, qual será o valor do torque e da f.e.m. induzida, respectivamente?
Provas
Se uma bobina de 10 espiras, com núcleo de ar e com 10 cm de comprimento for percorrida por uma corrente de 10A, qual será a intensidade de campo?
Provas
Qual é o valor da corrente elétrica, que passa por um determinado ponto de um condutor, resultante do movimento de uma carga elétrica de 50 Coulombs durante 10 segundos?
Provas
A relação entre o fluxo luminoso recebido no plano de trabalho (fluxo útil), isto é, aquele que incide efetivamente no plano de trabalho, e o fluxo luminoso inicial emitido pela luminária (fluxo total), é uma grandeza utilizada no cálculo de iluminação de interiores. Essa grandeza é denominada:
Provas
Todos os equipamentos elétricos devem oferecer segurança ao pessoal que os utiliza. Segundo a ABNT e pelas normas IEC, os graus de proteção dos equipamentos elétricos são especificados pelas letras IP seguidas de dois algarismos. Em relação a esses algarismos, é correto afirmar que o primeiro algarismo indica o nível de
Provas
A chave estrela-triângulo é muito utilizada para a partida de motores, devido ao seu custo reduzido, à praticidade e a outras vantagens. Para um motor que pode ser ligado nas configurações estrela e triângulo, a utilização desta chave poderá reduzir a corrente de partida
Provas
Caderno Container