Foram encontradas 1.200 questões.
Para a determinação dos parâmetros do circuito equivalente de um motor de indução trifásico, são realizados ensaios em vazio e com o rotor bloqueado. Nesse caso, é correto afirmar que:
Provas
Para casar duas cargas distintas, com impedâncias iguais a 10 e 10.000!$ \Omega !$, respectivamente, deverá ser utilizado um transformador com qual razão de espiras?
Provas
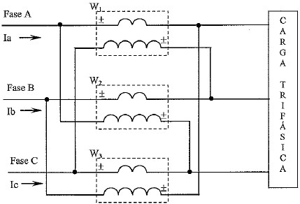
Analise o circuito a seguir.

Para se medir a potência reativa Q de circuitos trifásicos equilibrados e desequilibrados poderá ser empregado o esquema de medição apresentado acima. Em relação a esse esquema, é correto afirmar que:
Provas
Analise a figura a seguir.

Na figura acima, C1 e C2 são 2 capacitares de 10μF, X é uma caixa de capacitares com capacitância total de 100 µF, e K1 e K2 são 2 interruptores. O que deve ser realizado para se aumentar ao máximo a capacitância entre os pontos A e B do circuito?
Provas
Analise a figura a seguir.

O triângulo das potências acima representa a solicitação de potência de um equipamento que possui um motor.
Sabendo-se que a potência mecânica no eixo do motor é denominada de potência útil, é correto afirmar que:
Provas
Considerando a constante dielétrica do ar igual à do vácuo, !$ \epsilon !$0= 8,85 pF/m, qual será a capacitância de um capacitar formado por duas placas paralelas retangulares de 2cm x 10cm, com uma distância entre as placas de 0,5mm e tendo como dielétrico o ar?
Provas
Uma indústria apresenta uma carga elétrica de 500kVA com fator de potência (f.p.) de 0,8 indutivo. Qual deve ser o f.p. da carga adicional de 400kW de um motor síncrono sobre-excitado, para se elevar o f.p. de toda a instalação para 1?
Provas
Uma carga monofásica operando com tensão de 220V e consumindo uma corrente de 5A apresenta fator de potência igual a 0,8 indutivo. Funcionando durante 3 horas, é correto afirmar que a carga consome uma energia, em kWh, igual a:
Provas
A tensão aplicada aos terminais de uma bateria utilizada em um navio faz fluir uma corrente de 5A em direção ao terminal positivo desta bateria. Sendo a tensão nominal desta bateria 24V e sua resistência interna 0,5!$ \Omega !$, qual o módulo da tensão aplicada, em V?
Provas
Calcule a eficiência aproximada de um motor que recebe BkW de potência elétrica e fornece 8HP de potência mecânica, e assinale a opção correta.
Provas
Caderno Container