Foram encontradas 50 questões.
Analise o circuito a seguir.

Calcule a frequência crítica do circuito acima e assinale a opção correta.
Dados: V = 3 Vca
R1 = 2, 2 k\( Ω \)
R2 = 6,8 k\( Ω \)
C1 = 220 \( \mu F \)
Provas
Assinale a opção que descreve como o DNS (DOMAIN NAME SERVICE) realiza a conversão de endereço textual em endereço IP.
Provas
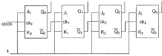
Observe a figura a seguir.

Na figura acima, 4 flip-flop tipo JK são interligados. Que tipo de circuito sequêncial é representado por ela?
Provas
Sabendo que foi atribuído o endereço 194.24.0.0/24 para uma sub-rede de computadores, qual a quantidade máxima de hosts que essa sub-rede poderá alocar?
Provas
A relação entre o campo irradiado por uma antena em uma determinada direção e o campo que seria irradiado por uma antena isotrópica que recebe a mesma potência da antena, é denominada
Provas
Sabendo que um resistor de 400 \( Ω \), uma reatância indutiva de 50 \( Ω \) e uma reatância capacitiva de 40 \( Ω \) estão ligados em paralelo numa linha de 120 Vca, é correto afirmar que a impedância será igual a
Provas
Assinale a opção que apresenta o equipamento capaz de determinar o estado de um transistor.
Provas
Considere o circuito RLC de segunda-ordem representado abaixo.

Sabendo que o capacitar possui uma tensão inicial Vo, e que, para determinados valores de R, L e C, a expressão geral para v(t) é dada por V(t) = Ke-at cos (2t + \( \alpha \)), pode-se afirmar que a resposta natural do circuito acima é:
Provas
Assinale a opção que apresenta a expressão que deve ser utilizada para calcular o valor da Taxa de Onda Estacionária (TOE) de uma antena que será instalada no alto de um edifício, sabendo que, para isso, será empregado um cabo coaxial com uma impedância característica expressa por Z0 e uma antena cuja impedância é dada por ZL.
Dado: ZL > Z0
Provas
Sabendo que um amplificador de potência Classe B fornece um sinal de 20 V de pico para uma carga de 16 \( Ω \), e uma fonte de potência de Vcc= 30 V, calcule a potência de entrada, e assinale a opção correta.
Provas
Caderno Container