Foram encontradas 100 questões.
Sabe-se que uma espira quadrada gira, com velocidade angular constante, em torno de um eixo fixo que passa pelo centro da referida espira e intercepta os pontos médios de dois de seus lados opostos. A espira encontra-se imersa num campo magnético constante, perpendicular ao seu eixo de rotação.
Nestas condições, é correto afirmar que a força eletromotriz induzida na espira
Provas
Em relação à correção do fator de potência em uma instalação elétrica, assinale a opção correta.
Provas
Observe a figura a seguir.

Considere todas as possibilidades para as combinações das entradas A, B e C no circuito lógico representado acima.
Qual é o número máximo de saídas S com nível lógico "1" que pode ser obtido?
Provas
Observe a figura abaixo.

Qual é a corrente fornecida pela fonte no circuito da figura acima?
Provas
Observe a figura a seguir.

Analisando o projeto de instalação de um cômodo, representado na figura acima, verifica-se que foram omitidos, no eletroduto "X", alguns condutores. Assinale a opção que apresenta os condutores omitidos.
Provas
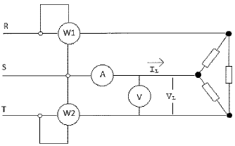
Observe a figura a seguir.

O circuito trifásico, representado na figura acima, alimenta uma carga equilibrada ligada em triângulo. Assinale a opção que apresenta a expressão analítica que permite calcular o fator de potência da carga, em função das leituras dos instrumentos de medida.
Provas
Um motor de indução trifásico possui seis bobinas idênticas, duas para cada fase, conectadas de modo a formar um duplo triângulo com a rede de alimentação.
Qual é a relação entre a corrente Ib, em cada uma das bobinas, e a corrente de linha IL?
Provas
Em um circuito, é aplicada uma tensão alternada de 110 volts e 60Hz, a qual faz circular uma corrente de 11 amperes atrasada de um ângulo de 30 graus da tensão. Nestas condições, assinale a opção que representa a impedância equivalente, em ohms.
Dados:
sen 30° = 1/2
cos 30° = !$ \sqrt{3}/2 !$
tg 30° = !$ \sqrt{3}/3 !$
Provas
Os materiais que apresentam permeabilidade relativa muito maior que a unidade e vasta aplicação prática na confecção de núcleos de máquinas elétricas, transformadores e reatores são denominados
Provas
Um motor de corrente contínua com derivação shunt aciona uma carga em seu eixo com velocidade n1, consumindo uma corrente I1. Sendo I2 e n2, respectivamente, a corrente e a velocidade posteriores a um aumento de carga, é correto afirmar que:
Provas
Caderno Container