Foram encontradas 50 questões.
Considere que a carga líquida superfície fechada é zero. Sendo pela lei de Gauss, que interna a uma determinada assim, é possível concluir,
Provas
Analise a figura abaixo.

Um esquiador de massa M, partindo do repouso, desce um pico A de altura H, e em seguida sobe outro pico B de altura H/2 conforme trajetória indicada na figura. Sabendo que a energia dissipada ao longo do percurso foi U e que a aceleração da gravidade local é g, qual é a velocidade do esquiador quando ele chega ao topo do pico B?
Provas
Analise a figura abaixo.

Na figura acima um tubo horizontal, cuja área muda de A para A/2, conduz um fluxo laminar da seção reta de um fluido incompressível e não viscoso de massa específica !$ \mathbf{\mu} !$. Sabendo que a diferença de pressão entre a parte larga e a parte estreita do tubo é !$ \mathbf{\triangle p} !$, qual é a vazão do fluido através desse tubo?
Provas
Analise a figura abaixo.

Assinale a opção que completa corretamente as lacunas da sentença abaixo.
Na figura acima os planos das duas espiras A e B condutoras são paralelos. Olhando no sentido de A para B, a espira A é percorrida por uma corrente I, sempre no sentido anti-horário. Nestas condições, é 'correto afirmar que se a intensidade da corrente I , a corrente induzida em B tem sentido e as espiras .
Provas
Uma fonte sonora pontual e isotrópica emite som numa potência de 0,16kW. Um detector, a uma distância de 4,0m da fonte, possui uma área de absorção circular com diâmetro de 8, 0cm. Qual é a potência, em miliwatts, absorvida por esse detector?
Provas
Considere que um trecho de um fio condutor, de comprimento L e raio da seção transversal r, submetido a uma tensão V(t)=e-2t(volts), pertença a um circuito RC em descarga. Sendo assim, a intensidade e o sentido da corrente de deslocamento, no interior desse trecho de fio, serão, respectivamente:
Dado: !$ \varepsilon_0 !$ é a constante de permissividade elétrica.
Provas
Analise a figura abaixo.

A figura acima representa um disco de hóquei B, que repousa sobre uma pista de gelo, sendo atingido por outro disco A com massa duas vezes maior que a dele. Antes do choque, o disco A se deslocava com velocidade de 30,0 m/s. Ao colidir, o disco A desviou-se +30° de sua direção original, enquanto o disco B, após o choque, ganhou velocidade e seguiu uma trajetória retilínea a -45º com relação à direção inicial do disco A. Qual é, em metros por segundo, e em termos dos vetores unitários !$ \hat{i} !$ e !$ \hat{j} !$ a velocidade do centro de massa do sistema formado pelos discos A e B depois da colisão?
Provas
Com relação à calorimetria, assinale a opção INCORRETA.
Provas
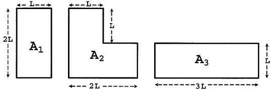
Analise a figura abaixo.

Três placas metálicas retangulares feitas do mesmo material possuem áreas A1, A2 e A3, cujas dimensões estão indicadas na figura acima. Considerando que elas sofrem um aumento de temperatura de mesmo valor, pode-se afirmar que o aumento das áreas das placas, !$ \triangle\,A_1, \triangle\,A_2,\,e\,\triangle\,A_3 !$ se relacionam por:
Provas
Analise a figura abaixo.

Um cabo isolante, muito fino e carregado com uniformemente distribuída em seu comprimento de 1,0m, ao longo do eixo x, na posição indicada na figura carga +Q está fixo acima. Sabendo que uma partícula de razão !$ \mathbf{ { \large carga \over massa} = 2.10^S C/Kg} !$ e abandonada em !$ \mathbf{t=0} !$, na posição 1,5m sobre o eixo x, qual será o módulo (em m/s2), a direção e o sentido da aceleração que a partícula sofrerá em !$ \mathbf{t=0} !$?
Dado:
constante elétrica = !$ 9.10^9(N.m^2)/C^2 !$
Provas
Caderno Container