Foram encontradas 850 questões.
Um transformador suposto ideal com 110V de tensão no secundário alimenta uma instalação elétrica puramente resistiva cuja resistência equivalente é 2,2!$ \Omega !$. Sabendo que a corrente no primário é lA, calcule o valor da razão entre o número de espiras do primário e do secundário, e assinale a opção correta.
Provas
Considere a figura a seguir.

O núcleo de ferro do eletroímã representado acima possui 20cm de comprimento e a bobina tem 5000 espiras. A corrente que a atravessa gera um campo magnético de intensidade igual a 2000Ae/m. Desprezando-se as resistências internas da fonte e do fio da bobina, quais são os valores indicados no voltímetro e no amperímetro, respectivamente?
Provas
Duas cargas monofásicas, que operam com tensão de ll0V, consomem uma corrente de 10A cada e apresentam fator de potência igual a 0,6 indutivo. Funcionando 6 horas por dia, durante 5 dias, o consumo total de energia será igual a:
Provas
Assinale a opção que apresenta as radiações eletromagnéticas em ordem crescente de frequência.
Provas
Analise o gráfico abaixo.

O gráfico acima representa a variação da potência exigida por um forno elétrico, com controle de temperatura, em uma etapa de um processo industrial. Qual é a energia total consumida pelo forno durante as 80 horas representadas no gráfico?
Provas
Analise o gráfico a seguir.

Um aluno representou graficamente a relação entre a diferença de potencial elétrico (ddp) e a corrente elétrica (I) em um componente elétrico bipolar encontrado sobre a sua bancada de testes. Em relação ao gráfico acima, assinale a opção que apresenta, respectivamente, esse componente e a sua impedância em Ohms.
Provas
As cargas mais importantes de uma instalação elétrica de uma padaria são três máquinas de l0kVA com fator de potência igual a 0,8 indutivo cada e um forno elétrico de 16kW. Em relação a essa instalação, assinale a opção correta.
Provas
Em relação às medidas elétricas, sabe-se que os medidores de potência também são conhecidos como wattímetros. Para que um wattímetro analógico possa medir a potência em um circuito elétrico, será necessário sempre o uso de duas bobinas que são denominadas bobinas de
Provas
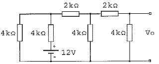
Analise o circuito a seguir.

Utilizando as estruturas de Thevenin e Norton, qual é o valor da tensão Vo do circuito acima?
Provas
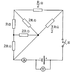
Analise o circuito abaixo.

Na figura acima, o voltímetro indica 12V quando a chave "S" está aberta. Quando essa chave está fechada, o amperímetro indica 4A e o voltímetro passa a indicar l0V. Sendo assim, qual é valor da resistência interna da fonte?
Provas
Caderno Container