Foram encontradas 50 questões.
Correlacione os métodos de partida para os motores de indução trifásico com as situações apresentadas, e assinale a seguir a opção que apresenta a sequência correta.
MÉTODO
I - PARTIDA DIRETA
II - CHAVE ESTRELA-TRIÂNGULO
III - REOSTATO DE PARTIDA
SITUAÇÕES
( ) Motor trifásico de 30cv com três terminais de ligação e tensão compatível à rede de alimentação em 440 volts.
( ) Motor trifásico de 30cv com rotor de anéis, três terminais de ligação e tensão compatível à rede de alimentação em 440 volts.
( ) A potência do motor é inferior à máxima potência permitida pela concessionaria de energia, normalmente limitada em 5cv.
( ) Motor trifásico de 20cv com seis terminais de ligação com tensão da rede coincidindo com a tensão triângulo do motor, 440 volts.
Provas
Observe a figura abaixo.

A figura acima representa os dados de uma placa de um motor de indução.
Para este motor, qual é a máxima corrente admissível em seus enrolamentos, na frequência de 50 Hz, em regime permanente, sem que haja aquecimento prejudicial do motor?
Provas
Dados:
Vf - tensão de fase
VL - tensão de linha
F(cv) - potência em cavalo - vapor
n - rendimento
fp - fator de potência
1cv = 736 watts
Considere um motor de indução trifásico de 100 cv, ligado em estrela a uma rede elétrica de 380 volts (tensão de linha) para acionar um elevador de carga.
Sabendo que seu rendimento é de 90% e que o mesmo opera com fator de potência indutivo igual a 0.8, assinale a opção que apresenta a expressão da corrente de linha(IL) desse motor.
Provas
Sabe-se que, em um Navio Patrulha(NPa)da Marinha, seu grupo diesel gerador está alimentando manualmente, ou seja, sem nenhuma ação automática de controle na tensão gerada e na velocidade do motor diesel, uma carga que consome 80% de sua capacidade nominal com fator de potência 0,8 indutivo. A tensão e a frequência foram ajustadas manualmente nos valores de placa (220 volts e 60 Hertz). Considere que repentinamente o sistema de ar-condicionado do refeitório dos oficiais para de funcionar por queima do seu compressor.
Assinale a opção que descreve os estados observados da tensão e da frequência no gerador, em relação a essa condição de funcionamento.
Provas
Observe a figura abaixo.

A figura acima representa uma espira circular de diâmetro "D" percorrida por uma corrente constante I. Considerando que, para todos os efeitos, "d" é desprezível em relação a "D", assinale a opção que apresenta, respectivamente, a equação que permite calcular o valor do campo magnético H no centro da espira e o correto sentido deste campo.
Provas
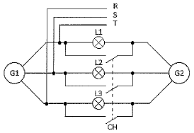
Observe a figura a seguir.

A figura acima representa um esquema elétrico conforme os dados abaixo:
- G1 é um gerador trifásico ligado à rede elétrica de fases R, S e T.
- G2 é um segundo gerador a ser ligado em paralelo com G1, na mesma rede trifásica R, S e T.
- L1, L2 e L3 são lâmpadas sinalizadoras.
- CH é a chave trifásica que conecta Gl em paralelo com G2.
A condição de regulação da tensão e frequência do gerador G2 em que ocorre a sincronização com o gerador G1 é observada quando as três lâmpadas L1, L2 e L3
Provas
Como se denomina o motor de corrente contínua em que a corrente de carga é utilizada como corrente de excitação e que não deve operar sem carga acoplada no eixo, tendo em vista que, caso isso ocorresse, a velocidade do mesmo tenderia a aumentar indefinidamente, danificando a máquina?
Provas
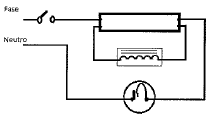
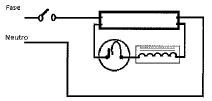
Considere as simbologias:

Assinale a opção que apresenta o esquema correto de instalação de uma lâmpada fluorescente que utiliza um reator magnético, um starter e um interruptor.
Provas
Considere que um consumidor trifásico possui uma carga total instalada de 100 kVa, fator de potência 0,8 atrasado, sendo essa carga ligada em estrela na tensão de 380 volts da rede elétrica da concessionária. Para melhorar o fator de potência desta instalação, foi colocado um banco de capacitares com potência 60 kVar na entrada de sua subestação.
Qual das opções abaixo apresenta, respectivamente, os valores das potências aparente, ativa e reativa para esta nova condição?
Provas
Observe a figura abaixo.

A figura acima representa um circuito RL série. Sé uma chave inicialmente aberta e V um voltímetro com resistência infinita. No instante imediatamente após ao fechamento da chave S, pode-se afirmar que:
Provas
Caderno Container