Foram encontradas 50 questões.
Considere um circuito RLC em série.
Na frequência de ressonância, é correto afirmar que a
Provas
Observe a figura abaixo.

A figura acima representa um circuito RC a ser alimentado por uma fonte contínua de 10 volts. Considere que inicialmente a chave S está aberta e o capacitar descarregado.
Nestas condições, assinale a opção que apresenta os valores das tensões nos trechos VAB, VBC e VCD, respectivamente, em volts, no instante do fechamento da chave S.
Provas
Observe a figura abaixo.

A figura acima representa um circuito elétrico resistivo alimentado por duas tensões contínuas V, conforme indicado.
O valor da corrente I é
Provas
Em relação aos instrumentos de medidas elétricas, assinale a opção correta.
Provas
Em relação aos sistemas de aterramento, é correto afirmar que:
Provas
Considere uma carga monofásica ligada à rede elétrica na tensão de 220 volts e frequência 60 Hz. Nestas condições, a carga consome uma potência de 48,4 kVA com fator de potência de 0,8 indutivo.
Quais são os valores de resistência e reatância equivalentes, em ohms, dessa carga?
Provas
Observe a figura abaixo.

A figura acima representa um circuito alimentado por uma fonte tensão real, em que Ei é a força eletromotriz, ri a resistência interna da fonte e Rum resistor ligado em série com a carga RL. Assinale a opção que apresenta a condição para que seja obtida a máxima transferência de potência entre a fonte de tensão e a carga RL.
Provas
Considere uma tensão senoidal que varia com o tempo segundo os dados abaixo:
- Amplitude da componente senoidal= 3 volts
- Componente contínua da tensão (nível D.C) = 2 volts
- Frequência= 100 Hz
- Ângulo de fase= 180º
Qual das opções abaixo representa corretamente esta tensão?
Provas
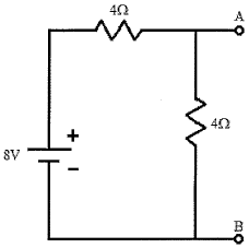
Observe a figura abaixo.

A figura por uma indicado. acima representa um circuito resistivo alimentado fonte contínua de tensão, com valores conforme Aplicando o teorema de Norton aos pontos A e B desse circuito, fonte de corrente encontra-se os seguintes valores para a e resistência, respectivamente:
Provas
Observe a figura abaixo.

A figura acima representa um condutor de comprimento L que gira com velocidade constante em torno do centro de uma circunferência com centro no ponto O, no plano da página. A região circular percorrida pelo condutor está sujeita a um campo magnético de indução B constante, orientado para dentro da página, indicado por um "X". Nestas condições, a respeito dos efeitos de indução sobre o condutor, pode-se afirmar que:
Provas
Caderno Container