Foram encontradas 50 questões.
Analise a figura a seguir.

Dado: o sistema não troca calor com o ambiente.
No dispositivo acima, o tanque 1 contém gás hidrogênio à pressão de 3 atm e o tanque 2 contém argônio à pressão de 1,5 atm. O tanque 2 tem o dobro do volume do tanque 1 e a temperatura do sistema encontra-se estabilizada em 27ºC.
Abrindo-se a válvula de interligação e elevando-se a temperatura do sistema para 42ºC, a que pressão de equilíbrio o sistema chegará?
Provas
Qual dos seguintes tipos de bomba NÃO pode ser classificado como rolativo?
Provas
Analise a figura a seguir.

V: velocidade; D: profundidade.
Dados: massa específica da água: 999 kg/m3
viscosidade dinâmica da água: 1,03. 10-4 kgf.s/m2
aceleração local da gravidade: 10m/s2
Uma empreiteira projetou e construiu a comporta representada na figura acima, por baixo da qual água doce escoa em um canal aberto de fundo plano.
Em relação ao projeto acima e à situação apresentada, pode-se afirmar que:
Provas
Observe as figuras a seguir.

Os compressores centrífugos que produzem diferenças de pressão inferiores a 700 kgf/m2 são chamados de ventiladores centrífugos. Para pressões maiores, utilizam-se os turboventiladores. Assinale a opção que apresenta, respectivamente, a classificação dos ventiladores representados acima, da esquerda para a direita.
Provas
Analise a figura a seguir.

Dados: desprezar a ação do peso próprio da barra.
A barra prismática ilustrada na figura acima, com 400 mm2 de seção transversal, encontra-se entre dois anteparos fixos, separados a uma distância L = 300 mm. O módulo de elasticidade e o coeficiente linear de dilatação térmica do material são, respectivamente, 200 GPa e 12.10-6 ºC-1. Sabe-se que, à temperatura de 25ºC, não existem tensões normais atuando sobre a barra. Dessa forma, elevando-se a temperatura para 45ºC, verifica-se na barra uma tensão de cisalhamento máxima de:
Provas
Dados: use !$ \pi !$ = 3;
1 pé = 12 pol;
!$ Pc(hp) \, = \, \dfrac {778} {33000} !$ M(lbm/min) X Cp(cai/g°C) x T(º R) X Yc/!$ η !$c
Sabe-se que um motor Diesel opera com rotação de 1500 RPM e usa uma vazão (M) de ar de 20 lbm/min. O ar ambiente encontra-se a uma temperatura de 560 ºR, com calor específico a pressão constante (Cp) de 0,432 cal/gºF. Deseja-se selecionar um compressor centrífugo para servir a esse motor, sendo conhecidos o diâmetro do rotor (D) de 4½ polegadas, a velocidade do som (a) na admissão de 1160 pés/se o fator de compressão adiabática (Yc) igual a 0,125. A eficiência máxima (!$ η_c !$) do compressor, de 81%, ocorre quando s/a = 0,65, onde sé a velocidade tangencial de saída do rotor. Nessas condições, a potência (Pc) necessária para acionar o compressor e a razão de redução adequada são, respectivamente:
Provas
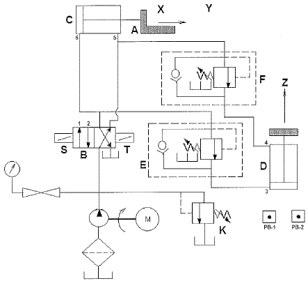
Analise a figura a seguir.

Uma determinada empresa apresentou o diagrama esquemático acima, de um circuito projetado para mover um objeto A horizontalmente da posição X para a posição Y e verticalmente da posição Y para a posição Z. De acordo com a norma DIN/ISO 1929, considerando que os botões de calcar PB-1 e PB-2 acionam os solenoides S e T, respectivamente, assinale a opção INCORRETA em relação ao diagrama acima.
Provas
Analise a figura a seguir.

N: rotação; T: torque
Sabe-se que vários métodos são empregados para acoplar ou unir dois eixos rotativos. Nesse contexto, as transmissões hidráulicas desempenham importante papel. A chamada transmissão hidrodinâmica depende de variações de velocidade ou dinâmica do fluido, em vez de uma ação de deslocamento. Uma transmissão hidrostática é uma combinação de duas unidades de deslocamento positivo interconectadas: uma bomba e um motor. Transmissões hidráulicas diferenciais são arranjos gerais nos quais uma parte da energia é transmitida mecanicamente.
A figura acima exemplifica um tipo de transmissão muito utilizado em máquinas hidráulicas, denominado transmissão
Provas
Analise as figuras a seguir.

Uma firma elaborou o projeto de um circuito eletropneumático que admite tanto o comando repetitivo como o automático, conforme esquema acima, onde K é um relé.
Assinale a opção que apresenta um circuito equivalente ao mostrado, sendo, porém, puramente pneumático.
Provas
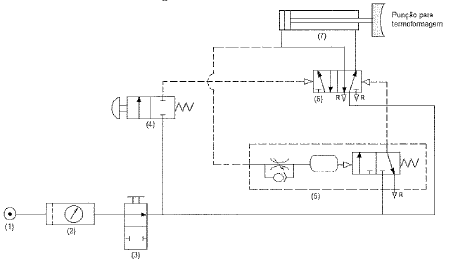
Analise o circuito a seguir.

O circuito acima representa o projeto de um dispositivo de termoformagem pneumático semiautomatizado. Em relaçao ao projeto apresentado e de acordo com a norma DIN/ISO 1929, analise as afirmativas abaixo.
I - O dispositivo continuará operando normalmente caso o elemento (4) seja retirado do circuito, já que o elemento (3) tem a mesma função.
II - Os três elementos que compõem o conjunto (5) podem ser substituídos por uma única válvula de retardo.
III - Uma válvula 4/2, embora mais frequente em sistemas hidráulicos, poderia substituir o elemento (6).
IV - O uso de uma válvula 5/3 no lugar do elemento (6) garantiria a possibilidade de parada do punção em qualquer posição.
V - O distribuidor (6), quando comutado no sentido de possibilitar o avanço do plugue (7), promove a descarga do acumulador localizado logo após o controlador de fluxo.
Assinale a opção correta.
Provas
Caderno Container