Foram encontradas 100 questões.
Em relação pela Norma INCORRETA. ao sistema de ajustes e tolerâncias, definido Técnica ISO (ABNT NBR 6158), assinale a opção
Provas
Observe a figura abaixo.

A medida correta, em graus e minutos, goniômetro acima corresponde a: indicada pelo
Provas
Analise a figura a seguir .

Observa-se, na figura acima, um ajuste com interferência entre o eixo e o furo da peça. Os valores da interferência máxima e das tolerâncias do furo e do eixo valem, respectivamente:
Provas
Coloque F (falso) ou V (verdadeiro) nas afirmativas abaixo em relação aos aditivos em lubrificantes, assinalando a seguir a opção que apresenta a sequência correta.
( ) Os aditivos antioxidantes são caracterizados pela existência de um grupamento polar (geralmente composto pelos elementos Nitrogênio, Oxigênio e Fósforo) associado a uma cadeia de hidrocarboneto de peso molecular relativamente alto.
( ) Os aditivos detergentes são geralmente moléculas com uma longa cadeia de hidrocarbonetos, que é um grupo oleofílico com a finalidade de solubilizar o composto na base fluida, e um grupamento polar, que é atraído para as partículas contaminantes no lubrificante.
( ) Os aditivos agentes anti desgaste atuam na adsorção preferencial de compostos do tipo polar sobre superfícies metálicas, formando um filme monomolecular que evita o contato entre as partes em movimento.
( ) Os aditivos dispersantes são compostos orgânicos que atuam eliminando radicais orgânicos e decompondo os peróxidos formados.
Provas
Sabe-se que graxa é definida como uma combinação de um fluido com um espessante, resultando em um produto homogêneo com qualidades lubrificantes.
Assinale a opção que apresenta algumas das principais características das graxas.
Provas
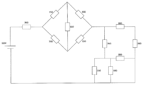
Observe a figura a seguir.

Determine a intensidade de corrente no circuito acima, supondo uma fonte ideal, e assinale a opção correta.
Provas
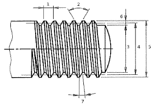
Analise a figura a seguir.

Independentemente da sua aplicação, as roscas têm os mesmos elementos, variando apenas os formatos e dimensões.
Assinale a opção que apresenta a identificação da figura acima.
Provas
Dados: Adotar 1 cal= 4J; c(água) lcal/gºC
Considere que um calorímetro ideal contém uma massa de água de 3 kg a 25ºC. Uma resistência de l0º está imersa na água, sendo ligada a uma fonte de l00V. Sabe-se que, acoplado ao calorímetro, existe um sensor que alarma assim que a temperatura da água atinge os l00ºC, de modo a não haver desperdícios pela evaporação.
Calcule o tempo, em minutos, que o alarme levará para disparar, e assinale a opção correta.
Provas
Observe a figura abaixo.

A figura acima representa o gráfico de uma tensão v(t) que varia com o tempo.
Qual é o valor médio da tensão, em volts, no intervalo de tempo entre 0 e 6 segundos?
Provas
Qual é a representação decimal do número binário 101,01?
Provas
Caderno Container