Foram encontradas 50 questões.
Um motor com 15kW de carga máxima retira uma corrente de 70A de uma linha de 240V. Qual é a eficiência aproximada do motor?
Provas
Com relação ao transdutor é correto afirmar que é um dispositivo que:
Provas
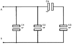
Observe a figura a seguir.

Calcule a capacitância total entre os pontos A e B da rede capacitiva representada acima, e assinale a opção correta.
Dados: C1 = 2pF, C2 = 3pF, C3 = 4pF, C4 = 4pF
Provas
Qual é o tipo de conexão entre dois transistores na qual os dois coletores estão ligados e o emissor do primeiro está conectado à base do segundo?
Provas
Um capacitar é introduzido em um circuito para se obter uma corrente adiantada de 5A. Se a tensão for de 110V em 30Hz, qual é a capacitância aproximada?
Provas
Qual é a resistência de um fio que possui resistividade de 34,1CM!$ \Omega !$/m, área da secção reta de 2000cm e comprimento de 152,5m?
Provas
Qual é o tipo de memória que possibilita realizar leitura, programação e apagamento de dados?
Provas
Qual a função de um varistor?
Provas
Observe a figura a seguir.

Dado:Sensibilidade do voltímetro igual a 20 k!$ \Omega !$/V.
Um militar, ao realizar a leitura de um voltímetro, representado pela letra "V" na figura acima, em escalas distintas, observou que os valores apresentados possuíam uma diferença significativa para cada escala utilizada. Qual é a causa dessa discrepância?
Provas
Com relação ao termopar, é correto afirmar que são pares de metais:
Provas
Caderno Container