Foram encontradas 50 questões.
O número 29 está representado no sistema de numeração decimal. Realizando a conversão desse número para o sistema de numeração hexadecimal, obtém-se:
Provas
Calcule a razão de espiras de um transformador usado para "casar" uma carga de 19.600!$ \Omega !$ com uma carga de 400!$ \Omega !$, e assinale a opção correta.
Provas
A função prática de um analisador de espectro é analisar um sinal no domínio:
Provas
Como é denominado o efeito no qual alguns cristais vibram na frequência da tensão aplicada e, inversamente, geram tensão quando forçados a vibrar mecanicamente?
Provas
O que é a precisão em um equipamento de medição analógico?
Provas
FAN-OUT é o parâmetro que estipula:
Provas
Qual é o padrão de tensão na Interface RS-232-C?
Provas
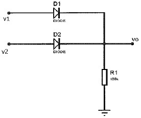
Observe a figura a seguir.

O circuito acima representa qual porta lógica digital?
Provas
Qual deve ser a tensão mínima de VBE obtida em um transistor operando com pequeno sinal na região ativa?
Provas
Qual é, respectivamente, a potência e a energia consumidas de uma linha de 110V por um ferro elétrico de 50!$ \Omega !$, em 3 horas?
Provas
Caderno Container