Foram encontradas 900 questões.
Qual dos tratamentos térmicos dos aços, apresentados abaixo, tem por objetivo a obtenção de uma estrutura martensítica?
Provas
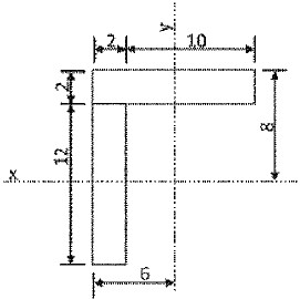
Observe a figura a seguir.

Dados: As medidas estão em centímetros.
Um perfil de aço estrutural tem as dimensões especificadas na figura acima. Quais são os valores dos momentos de inércia Ix e Iy, em relação aos eixos x e y da figura, respectivamente?
Provas
Com relação à ligação das peças de construção, correlacione os tipos de juntas aos seus respectivos modos de ligação das peças e assinale a opção que apresenta a sequência correta.
TIPOS DE JUNTAS
I -Juntas permanentes
II -Juntas não permanentes
MODOS DE LIGAÇÃO DAS PEÇAS
( ) Solda.
( ) Cravação.
( ) Parafusos.
( ) Pressão, como por exemplo a ligação de uma camisa em um cilindro.
( ) Pinos e chavetas.
( ) Contração, quando se aquece a peça de fora, antes de forçar a outra, ou quando se resfria a peça de dentro.
Provas
Com relação à teoria do navio, assinale a opção correta.
Provas
Observe a figura a seguir.

Dados: As medidas estão em centímetros.
Uma cantoneira composta de um único material, tem a sua seção representada na figura acima e possui densidade linear de 120g/cm. Qual é a densidade volumétrica do material deste elemento, em g/cm3?
Provas
Assinale a opção que define o elemento estrutural SICORDA.
Provas
Analise a figura a seguir.

Sabe-se que a barra circular representada na figura acima é de aço, possui diâmetro de 20 mm e comprimento de 0,8 m. Encontra-se submetida à ação de uma carga axial de 7,2kN. Determine a tensão normal atuante, em Mpa, e assinale a opção correta.
Dado: Adote !$ \pi !$= 3,14
Provas
Assinale a opção que completa corretamente as lacunas da sentença abaixo.
Além de dar forma ao casco e de sustentar o chapeamento exterior, constituem, juntamente com , os elementos estruturais da estrutura do casco, destinados a resistir aos esforços nesse sentido.
Provas
Observe a figura a seguir.

Assinale a opção que apresenta as coordenadas do centro de gravidade da figura acima, composta por um círculo de diâmetro 2D com um furo em formato de círculo de diâmetro D, tangenciando internamente o círculo maior e o eixo das abscissas.
Provas
Como se denomina o processo em que as chapas de aço são cobertas por uma camada protetora de zinco, a fim de impedir a sua oxidação?
Provas
Caderno Container