Foram encontradas 50 questões.
Observe a figura a seguir.

A espira quadrada da figura acima faz um ângulo !$ θ !$ com o plano xy e um fio infinito coincide com o eixo z. Deseja-se analisar a influência de !$ θ !$ na indutância mútua entre o fio e a espira, definida por !$ M(θ) !$. Sendo !$ M(θ=0º)=M1 !$, !$ M(θ=45º)=M2 !$, !$ M(θ=90º)=M3 !$, pode-se afirmar que:
Provas
Uma onda eletromagnética se propaga no vácuo, e seu campo elétrico é dado por !$ E_o \cos(2 \pi 10^7 t- \beta z) !$ !$ \rightarrow \\i !$ !$ [ {\large{V \over m}}, {\large{rd \over s}}] !$. Sendo assim, pode-se concluir que o vetor campo magnético B e o módulo do vetor de Poynting médio são dados, respectivamente, por:
Provas
Observe o diagrama pressão versus volume a seguir.

Esse diagrama representa uma máquina térmica operando o chamado Ciclo de Diesel, em que 10 moles de uma mistura de ar e gasolina (tratada como um gás ideal) sofrem uma compressão adiabática (AB), depois um aquecimento à pressão constante (BC), seguido por uma expansão adiabática (CD), que move o pistão, e, finalmente, um resfriamento isométrico (DA), retornando ao estado inicial. Como o ar é essencialmente uma mistura de gases diatômicos, considere a capacidade térmica à pressão constante do gás em questão como Cp=(7/2)R.
Considerando ainda o ponto A nas CNTP e sabendo que a pressão no trecho BC é 55atm, calcule o calor absorvido neste trecho e assinale a opção correta.
Dado: R=B,31 J/molK
Provas
Observe a figura a seguir.

A figura acima representa o sistema de coordenadas cartesianas onde um fio reto e infinito está sobre o eixo z e, por ele, passa uma corrente i de valor !$ \large{100 \pi \over \mu_o} !$ no sentido positivo de z. Um outro fio, também infinito, com mesmo valor de corrente, passa sobre a reta x=4m e y=0, sentido -z. Calcule o vetor campo magnético B no ponto (x=4m, y=3m, z=0), e assinale a opção correta.
Provas
Observe a figura a seguir.

Um mergulhador se lança ao mar saltando de uma altura h de 4, 9 metros em relação à linha d' água e com velocidade inicial, apenas horizontal, de 2,5 m/s, a partir da proa de um navio, que se encontra parado, conforme ilustrado na figura acima. Ele atinge a superfície da água no ponto P, a uma distância horizontal d da borda da proa. Sabendo que o mergulhador pesa 65 kg e que a aceleração da gravidade é de 9,8 m/s2, pode-se afirmar que a distância d, em metros, é igual a:
Provas
Observe a figura de um submarino em dois instantes distintos de tempo.

Esse submarino possui uma escotilha horizontal superior (porta de alçapão) que dá acesso a seu interior. Essa escotilha é retangular de dimensão 1,4m x 1,0m. O submarino encontra-se navegando no mar, onde a água salgada tem densidade de 1028kg/m3 (considere essa densidade uniforme). A diferença entre as pressões externa e interna produz uma força vertical resultante F sobre a escotilha. A pressão interna do submarino é mantida no valor igual ao da pressão atmosférica na superfície da água do mar.
A uma profundidade d1 = 100m, essa força tem intensidade F1 e, a uma profundidade d2 = 150m, a intensidade é F2. O valor da razão F2/F1 é igual a:
Provas
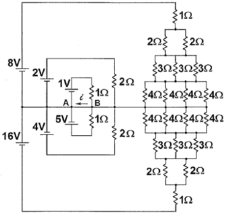
Observe o circuito elétrico abaixo.

A intensidade da corrente elétrica i, que flui do nó B para o nó A, em Amperes, vale:
Provas
Observe as figuras 1 e 2, que representam a operação de um ECOBATÍMETRO.

Ecobatímetro é um instrumento usado em navios para medição de profundidades. Uma frente de onda é transmitida a partir de um transmissor ultrassônico, propagando-se até o fundo, onde é refletida de volta até um receptor ultrassônico. Pelo tempo medido de ida e volta da frente de onda, o ecobatímetro determina, por cálculo, a profundidade p. Para efeito de aproximação e simplificação, considere o navio parado e a frente de onda se propagando em linha reta, perpendicularmente à superfície de um fundo horizontal e liso, a uma profundidade real de 35m. O ecobatímetro estava calibrado para medir profundidades no mar, entretanto o navio estava ancorado em um rio de água doce. Considere a velocidade média aproximada do ultrassom na água do mar 1500m/s e na água doce 1435m/s. Ao ser realizada a medição de profundidade p, qual será o erro de leitura (profundidade real - profundidade medida) em metros?
Provas
Analise as afirmativas a seguir, com relação ao eletromagnetismo.
I - A corrente de deslocamento não envolve o movimento de cargas.
II - A circulação do campo magnético é sempre nula.
III - A circulação do campo elétrico é nula na presença de um campo magnético estático.
IV - O fluxo do campo elétrico depende apenas da distribuição de cargas.
V - O fluxo do campo magnético é nulo apenas na ausência de correntes livres.
Assinale a opção correta.
Provas
Observe as figuras a seguir.

Uma região do espaço, submetida a um campo magnético uniforme B, está separada em dois compartimentos por uma parede de material não magnético, de espessura desprezível, conforme mostram as figuras acima.
No instante t 1 , uma carga elétrica é lançada com velocidade v1 perpendicular a B e paralela à parede, na posição indicada na figura 1. No instante t 2 , a carga atinge uma fenda na parede e passa para o compartimento 2, com velocidade v 2 , perpendicular à parede. Nesse instante, o campo magnético é substituído por um campo elétrico uniforme E, também perpendicular à parede, mostrado na figura 2.
Decorrido um intervalo de tempo, a carga se choca com um anteparo no instante t 3. O anteparo é paralelo à parede separadora, distante 5cm dela, e tem permissividade dielétrica relativa igual a 1. Sendo assim, pode-se afirmar que o tempo total de percurso da partícula ( t3-t1 ) , em segundos, é igual a:
Provas
Caderno Container