Foram encontradas 50 questões.
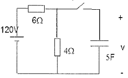
Analise a figura a seguir.

No circuito da figura acima, a chave se fecha no instante t=0s. Qual é a tensão v(t) no capacitor?
Provas
Observe o gráfico a seguir.

Num experimento para estudar o efeito fotoelétrico em um dado metal, varia-se a frequência da luz incidente sobre o metal e mede-se o potencial negativo necessário para reduzir a corrente fotoelétrica a zero (o chamado potencial de frenagem). O gráfico acima mostra o resultado do experimento para o caso desse metal. Sendo assim, pode-se afirmar que a função trabalho, em eV, é:
Dado: constante de Planck h=4, 14x10-15eV · s
Provas
Observe a figura de um navio parado em exercício de tiro.

O objetivo do tiro de canhão é acertar um alvo P, também parado, situado à mesma altura do canhão e a uma distância horizontal d = 490m. A munição é disparada com velocidade inicial vo= 98m/s. Assinale a opção que apresenta o valor de inclinação !$ θ !$ , de modo que o objetivo seja atingido.
Provas
Um elétron, movendo-se sobre uma reta, tem sua função de onda dada por !$ Ψ(x)=Ae^{- \left\vert x \right\vert /\alpha} !$, onde A e !$ \alpha !$ são números reais com dimensão apropriada. O valor de A é:
Provas
Uma luz monocromática, com comprimento de onda 400nm, incide sobre um par de fendas idênticas, cada uma de largura a, separadas por uma distância d. o padrão resultante é observado em uma tela a 80cm de distância das fendas. Observa-se que a primeira franja de interferência dista 2mm do máximo central e que a oitava franja de interferência está ausente (estando as anteriores todas presentes). Qual é a largura, em !$ \mu m !$, de cada fenda?
Provas
Considere um elétron confinado a uma região de tamanho comparável a um átomo (da ordem de 10-11m) A incerteza em sua energia cinética, em J, é da ordem de: Prova
Provas
Observe as figuras abaixo de uma ancora em dois instantes distintos de tempo.

A âncora de ferro é lançada na água. Seu peso no instante t1 , quando totalmente fora d'água, é de 787N. A densidade do ferro é igual a 7,87g/cm3 , a densidade da água é aproximadamente 1000kg/m3 e a aceleração da gravidade vale 9,8m/s2. O peso efetivo da âncora no instante t2 , quando totalmente imersa na água, é, aproximadamente, igual a:
Provas
Uma nuvem de cargas possui densidade volumétrica de cargas determinada pela equação !$ ρ(r)=ρ_0r \left[ {\large{c \over m^3}} \right] !$, onde r representa a distancia à origem num sistema de coordenadas esféricas. Portanto, o módulo do campo elétrico E é dado por:
Provas
Sabe-se que dois navios estão prestes a colidir. No instante t=0s, o navio A está na origem do sistema de coordenadas cartesianas (xA=0, yA=0), em movimento retilíneo uniforme, com velocidade de módulo vA=50m/s, e o navio B está na posiçao (xB=400m, yB=1000m), também em movimento retilíneo uniforme, com velocidade vB. Após !$ \Delta t !$ segundos, há a colisão no ponto (xC=800m, yC=600m). Qual é o módulo da velocidade vB, em m/s?
Provas
Observe a figura abaixo.

Um rotor maciço em forma de disco, com raio !$ R=20/ \pi !$cm, tem massa igual a 2kg e gira em torno de seu eixo com velocidade constante de 3600 rotações por minuto. A energia cinética do disco, em Joules, é igual a:
Provas
Caderno Container