Foram encontradas 50 questões.
Considere que o raio da Terra é 6400km e que 9,8 é aproximadamente !$ \pi^2 !$. Sobre os satélites em órbita geoestacionária, é correto afirmar que o raio de sua órbita é, aproximadamente, igual a:
Provas
Em um material de condutividade !$ σ !$, permissividade dielétrica !$ ε !$ e permeabilidade magnética !$ \mu !$ , há uma densidade de corrente de condução de módulo !$ J(t)=J_o \sin(wt) !$. Sendo assim, a densidade de corrente de deslocamento é:
Provas
Um paraquedista de massa m cai em queda livre. O atrito do ar é do tipo -kv. Quanto tempo, após o início da queda, é decorrido até que o paraquedista atinja 99% da velocidade limite?
Provas
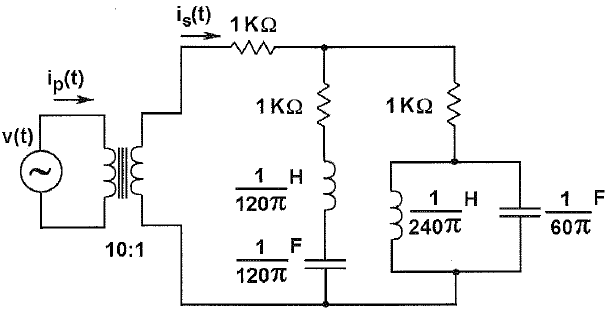
Analise o circuito elétrico a seguir.

A tensão alternada de entrada v(t) tem amplitude de 156V e frequência igual a 60Hz. O transformador é ideal, com relação de números de espiras (primário/secundário) de 10:1. A amplitude da corrente elétrica ip (t) no primário, em mA, é igual a:
Provas
Observe a figura a seguir.

A figura acima representa uma besta, arma utilizada para atirar dardos. Nos exércitos medievais, o soldado que a operava era chamado besteiro. Seu funcionamento consiste em tensionar um arco feito de material elástico e travá-lo na posição tensionada. Depois, introduz-se um dardo em uma fileira talhada no braço da arma e libera-se a trava por meio de um gatilho, projetando, assim, o dardo para a frente com grande velocidade.
Considere o arco como uma mola ideal, com constante elástica 200N/m, e que é necessário distendê-lo 50cm, a partir da posição de repouso, para armar a besta. O trabalho realizado pelo besteiro e a velocidade com que um dardo de 125g é disparado a partir do repouso são, respectivamente:
Provas
O que é emitido quando um núcleo de !$ _{92}U^{238} !$ se transforma em um núcleo de !$ _{91}Pa^{234} !$?
Provas
Um feixe de raios X com comprimento de onda !$ λ=\large{h \over mc} !$, onde h é a constante de Planck, m a massa do elétron e c a velocidade da luz, é espalhado por um elétron inicialmente em repouso, sendo detectado a um ângulo de 60º com a direção de incidência. Sendo assim, pode-se afirmar que a energia cinética adquirida pelo elétron após o espalhamento é:
Provas
Observe as figuras de um anel fino e de um cilindro.

Um anel fino de massa M é construído circunscrevendo um quadrado de lado !$ \ell !$ e massa zero, conforme mostrado na figura 1. Um cilindro de mesma massa M, para ter o mesmo momento de inércia daquele anel, deve ter um raio igual a:
Provas
Observe a figura abaixo.

Uma fonte gera um fluxo de calor que passa através de três camadas perfeitamente encostadas. O fluxo de calor atravessa uniformemente o mesmo valor de área de seção transversal ao longo das três camadas. As condutividades térmicas das camadas possuem as seguintes relações !$ \mu_2=2. \mu_1=\mu_3/2 !$. As espessuras das camadas possuem as seguintes relações !$ d2=2.d1=2.d3 !$. Sendo assim, é correto afirmar que:
Provas
Uma pulseira de prata é aquecida a 100ºC e é colocada dentro de um copo com 240ml de água a 19ºC. A temperatura final de equilíbrio é de 20ºC. O calor específico da prata é 0,06cal/gK. Qual é a massa da pulseira?
Provas
Caderno Container