Foram encontradas 50 questões.
Observe a figura abaixo.

Com base nessa figura calcule o valor de R para se obter uma corrente de silício de 7,65 mA e assinale a opção correta.
Dado: Tensão de limiar do silício (Vd) = O, 7 V.
Provas
Sabe-se que um oscilador LC é composto por um indutor e um capacitor em paralelo. Para variar a frequência do oscilador LC, podemos variar:
Provas
Para se construir um oscilador senoidal, é necessário haver um amplificador com:
Provas
Assinale a opção que apresenta o instrumento de medição indispensável na tarefa de medir o isolamento de uma linha de transmissão com a terra.
Provas
Assinale a opção que apresenta o nome do instrumento de medição que representa graficamente sinais elétricos no domínio temporal.
Provas
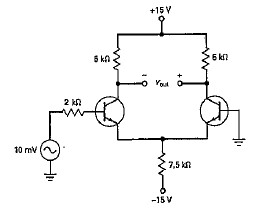
O amplificador diferencial representado na figura abaixo tem Av= 100, lin(bias) = 6μA, Iin(off) = 2μA e Vin(off) = 1 mV. Sendo assim, calcule a tensão de erro de saída e assinale a opção correta.

Provas
Sabendo que um regulador de tensão é um dispositivo que tem por finalidade a manutenção da tensão de salda de um circuito elétrico. Pode-se afirmar que a sua impedãncia de salda é:
Provas
Sobre sistemas de informações digitais, é correto afirmar que, na informação:
Provas
Assinale a opção que apresenta a sigla correspondente à faixa de frequência rádio utilizada nas transmissões de alcance mundial.
Provas
Disciplina: TI - Organização e Arquitetura dos Computadores
Banca: Marinha
Orgão: Marinha
Como se classificam as memórias quanto ao tipo de armazenamento?
Provas
Caderno Container