Foram encontradas 50 questões.
Analise as afirmativas a seguir.
I- Ajuste com folga é aquele em que o afastamento superior do eixo é menor ou igual ao afastamento inferior do furo.
II- Ajuste com interferência é aquele em que o afastamento superior do furo é menor ou igual ao afastamento inferior do eixo.
III· Ajuste incerto é aquele em que o afastamento superior do eixo é maior que o afastamento inferior do furo e o afastamento superior do furo é maior que o afastamento inferior do eixo.
Assinale a opção correta.
Provas
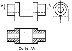
Observe as vistas ortográficas abaixo.

Assinale a opção que apresenta a vista que contém a indicação do plano de corte.
Provas
Segundo Chiaverini (1986), marque a opção que identifica corretamente os tipos de juntas soldadas representadas nas figuras abaixo:

Provas
Observe o paquímetro abaixo.

No detalhe do paquímetro mostrado na figura acima, cada divisão da escala fixa corresponde a 1,00 mm, e sua resolução é 0,02 mm. Sendo assim, calcule a medida que se lê, em milímetros, e assinale a opção correta.
Provas
Considerando a forma com que é fornecida energia do fluido que é transportado, são classificadas como bombas de deslocamento positivo:
Provas
Com relação aos ensaios de dureza, é correto afirmar que:
Provas
Observe o paquímetro abaixo.

No detalhe do paquímetro mostrado na figura acima, cada divisão da escala fixa corresponde a 0, 025 polegadas, e sua resolução é 0,001 polegadas. Sendo assim, calcule a medida que se lê, em polegadas, e assinale a opção correta.
Provas
Acerca da montagem de tubulações, é INCORRETO afirmar que:
Provas
As juntas de expansão são peças deformáveis que se intercalam nas tubulações com a finalidade de:
Provas
Assinale a opção que apresenta os elementos essenciais de uma instalação de refrigeração mecânica por meio de vapores.
Provas
Caderno Container