Foram encontradas 900 questões.
A figura a seguir contém os tipos de perfis laminados mais usados na construção naval.

Com base na figura acima, assinale a opção que apresenta corretamente a nomenclatura dos perfis laminados numerados.
Provas
Com relação aos processos de soldagem, analise as afirmativas a seguir.
I- Na soldagem a arco elétrico, ocorre uma descarga elétrica mantida através de um gás ionizado, iniciada por uma quantidade de elétrons emitidos do eletrodo negativo (catodo) aquecido e mantido pela ionização térmica do gás aquecido.
lI- A queda de tensão no arco elétrico pode ser dividida em três partes: queda de tensão catódica, queda de tensão na coluna do arco e queda de tensão anódica.
IlI- A emissão termoiônica é um processo de liberação de prótons de uma superfície resfriada.
Assinale a opção correta.
Provas
Observe a figura a seguir.

Com base na figura acima, assinale a opção que apresenta a correta indicação do estado de superfície em desenhos técnicos.
Provas
As seções de chapeamento e de elementos estruturais não visíveis, numa correspondente vista de um desenho de estruturas navais, são representadas por linhas do tipo
Provas
Com relação à colagem de desenhos técnicos, é correto afirmar que:
Provas
Observe a figura a seguir.

Dimensões em mm / sem escala.
Com base na figura acima, assinale a opção INCORRETA.
Provas
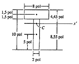
Observe a figura a seguir:

Com base na figura acima, assinale a opção que apresenta o valor do momento de inércia da área da seção transversal em torno do eixo x' do centroide da viga T.
Provas
Coloque V (verdadeiro) ou F (falso) nas afirmativas abaixo, em relação ás escalas utilizadas em desenho técnico, assinalando a seguir a opção correta.
( ) A escala 1:100 é uma escala de ampliação.
( ) A escala é a relação entre uma determinada dimensão no desenho e a correspondente dimensão real do objeto representado.
( ) A escala 2:1 é uma escala de redução.
( ) A escala 1: 1 corresponde à representação em tamanho natural do objeto representado.
( ) A colagem do desenho é independente da escala em que este se executa.
Provas
Assinale a opção que NÃO apresenta uma função dos jazentes em geral.
Provas
Um tubo de aço A-36 (módulo de elasticidade = 29(103)ksi), de comprimento e seção transversal mostrados na figura a seguir, deve ser utilizado como coluna a ser presa por um pino na extremidade. Sendo assim, assinale a opção que apresenta o valor da carga axial máxima admissível que a coluna suportará sem sofrer flambagem.

Provas
Caderno Container