Foram encontradas 100 questões.
Observe o circuito abaixo.

Calcule a impedância do circuito RLC série representado acima, considerando impedância do capacitor C1: Zc1= 3 !$ \Omega !$ e a impedância do indultar L1: ZL1= 12 !$ \Omega !$.
Provas
As máquinas de corrente contínua são geradores que transformam a energia mecânica em energia elétrica CC e motores que transformam energia elétrica em mecânica.
Sobre tipos, funcionamento e aspectos construtivos dessas máquinas é INCORRETO afirmar que:
Provas
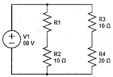
Observe o circuito abaixo.

Dado o circuito acima, calcule o valor de R1 para que a potência dissipada em todo o circuito seja de 300 W e assinale a opção correta.
Provas
Assinale a opção que apresenta a tecnologia adequada para a medição de vazão.
Provas
Em uma espira, o fluxo magnético,!$ \phi !$, varia conforme o gráfico abaixo.

Os valores das forças eletromotrizes induzidas intervalos A, B, C, e D são, respectivamente:
Provas
Observe a figura abaixo.

Considerando a impedância Z extremamente alta, a figura acima se refere a qual sistema de aterramente?
Provas
Observe a figura abaixo.

A figura acima ilustra o circuito Aritmético conhecido como:
Provas
Uma fazenda utiliza uma bomba, acionada por um motor elétrico de 2 HP, para um sistema de irrigação. O motor possui uma eficiência de 80% e funciona 8 h por dia.
Qual a energia consumida pelo motor durante 01 mês, sabendo que o motor opera todos os 30 dias? Dado: 1HP = 746W
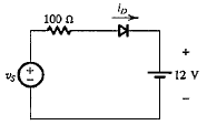
Provas
Determine a máxima corrente, em mA, no diodo do circuito abaixo para uma fonte Vs senoidal com tensão de pico a pico de 48 V.

Assinale a opção correta.
Provas
Observe o circuito abaixo.

Dado circuito magnético acima, considerando a permeabilidade magnética do entreferro igual a 4x10·7 e desprezando a relutância do núcleo, sabendo que as correntes i1 e i2 valem 10 A e 20 A, respectivamente, o número de espiras em N1 e N2 valem 200 e 300, respectivamente, o comprimento do entreferro, g, igual a 0,4 cm e sua área de seção transversal igual a 4 cm2, determine o valor do fluxo resultante no núcleo e assinale a opção correta.
Provas
Caderno Container