Foram encontradas 650 questões.
Um projetista elétrico necessita utilizar resistências no projeto em que está trabalhando, porém não as possui à disposição e precisou improvisar. Percebe, então, que existem em seu local de trabalho, condutores de diversos tamanhos e bitolas diferentes que podem ser utilizados. Sabendo que a resistência de que ele necessita precisa ser alta, assinale a opção que apresenta corretamente os tipos de condutores adequados.
Provas
Coloque F (falso) ou V (verdadeiro) nas afirmativas abaixo, em relação ao conceito de eletricidade, assinale a seguir a opção correta.
I- Teoria de Norton pode ser obtida pelo principio da dualidade, em que para qualquer teorema aplicado à análise de circuitos elétricos existe um teorema oposto no qual um substitui os valores originais com os valores trocados de outro.
II- Apenas o quartzo e os sais de Rochelle, dentre outros cristais, geram tensão ao vibrarem. O nome desse fenômeno é Efeito piezoelétrico.
III- Se um átomo neutro receber um elétron, ele se torna um ânion.
IV- Os capacitares eletrolíticos precisam ser conectados com a polaridade correta para produzir a película de óxido, que é a substância isolante.
Provas
Observe a figura abaixo:

Considerando o circuito do filtro ativo acima, determine qual função ele exerce e sua frequência de corte.
Dados !$ R1 = 10k\Omega, R2 = 5k\Omega \ e \ C = 0,01uF !$.
Provas
Um eletricista experiente precisava saber por qual fio (A ou B) passaria a menor corrente quando submetido à menor tensão. Ele percebeu que o fio A tem duas vezes a resistência elétrica, duas vezes o comprimento e metade do diâmetro da bitola do fio 8. Assinale a opção que apresenta a razão entre as constantes de resistividade 8 por A e o fio pelo qual passaria a menor corrente quando aplicada a mesma tensão.
Provas
Analise as figuras abaixo.

Em função dos sinais aplicados no flip-flop JK da figura acima, determine os valores de Q nos tempos T1, T2, T3 e T 4, respectivamente, e assinale a opção correta.
Provas
Considere o retificador de onda completa abaixo. Calcule, respectivamente, a tensão CC e a ondulação (ripple) na saída e assinale a opção correta.

Provas
Determine o maior valor de saída de tensão de um conversor digital-analógico de 8 bits que gera uma saída de 1V para uma entrada digital 00110010 e assinale a opção correta.
Provas
Observe o circuito abaixo:

Determine a constante de tempo do circuito acima e assinale a opção correta.
Provas
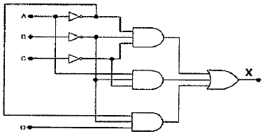
Assinale a opção que apresenta a expressão booleana para a salda X da figura abaixo.

Provas
Sabendo-se que o 74ALS161 é um CI contador, determine o módulo do circuito contador da imagem abaixo, ou seja, o número de estágios que esse circuito percorre em um ciclo de contagem e assinale a opção correta.

Provas
Caderno Container