Foram encontradas 100 questões.
Qual tipo de memória é do tipo não volátil e permite alteração da programação sem desconexão do circuito integrado?
Provas
Assinale a opção que apresenta a forma de onda correspondente à saída Q do flip-flop tipo D vista na figura abaixo em função dos sinais aplicados nas entradas.

Provas
No circuito da figura abaixo, considere a tensão entre base e emissor para o transistor tipo NPN igual a 0,7 V e seu ganho de corrente !$ \beta !$ igual a 100. Assinale a opção que apresenta, respectivamente, a corrente de base (IB) e a tensão entre coletor e emissor (VcE).

Provas
Converta para o sistema decimal o número representado no sistema binário por 1101102, em seguida, assinale a opção que apresenta os respectivos algarismos no código BCD 8421.
Provas
Em relação à automação em sistemas industriais, coloque V (Verdadeiro) ou F (Falso) nas afirmativas abaixo e, em seguida, assinale a opção que apresenta a sequência correta.
( ) Um sensor nem sempre tem as características elétricas necessárias para ser utilizado em sistema de controle. Normalmente o sinal de saída deve ser manipulado antes da sua leitura no sistema de controle.
( ) São características desejáveis inerentes aos transdutores: exatidão, precisão e linearidade.
( ) Alguns dos padrões mais utilizados para transmissão de sinais analógicos são: 4 a 20 mA; 0 a 20 mA e 0 a 10 V. Para transmissão de sinais digitais utilizam-se protocolos de comunicação para redes industriais (fieldbus).
Provas
Em relação aos elementos presentes em uma automação de qualquer natureza, assinale a opção que apresenta a sequência correta.
I - São dispositivos que modificam uma variável controlada. Recebem um sinal proveniente do controlador e agem sobre o sistema controlado.
II - São dispositivos sensíveis a alguma forma de energia do ambiente que pode ser luminosa, térmica, cinética, relacionando informações sobre uma grandeza que precisa ser medida, como: temperatura, pressão, velocidade, corrente, aceleração, posição, etc.
IlI - São dispositivos usados para transformar uma grandeza qualquer em outra que pode ser utilizada nos dispositivos de controle.
Provas
Qual é o custo aproximado da utilização por 1 hora de um motor cuja potência é 4 hp, se a tarifa da companhia elétrica é de 1 O centavos por kWh
Provas
Uma bateria de 12V e 500 mAh é utilizada para alimentar um equipamento com corrente de 10 mA. Por quantas horas a bateria vai alimentar o equipamento de forma adequada?
Provas
O circuito abaixo representa uma carga (RL) ligada a um circuito equivalente de Thévenin, cujos valores da resistência (RTh) e tensão (ETh) de Thévenin estão definidos. Calcule o valor da resistência da carga (RL), para que a potência transferida a essa carga seja máxima e assinale a opção correta.

Provas
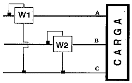
Dois wattímetros, W1 e W2, conectados corretamente para medir potência trifásica (3-cp) têm uma leitura de +1200 W e +900 W, respectivamente. Assinale a opção que apresenta a potência total consumida pela carga trifásica.

Provas
Caderno Container