Foram encontradas 50 questões.
Com relação aos dispositivos de memória, analise as afirmativas abaixo.
I- As memórias RAMs são memórias voláteis.
II- Um chip de memória semicondutora especificado como 4K x 8 pode armazenar 4096 bits.
III- Memórias EPROM são apagadas através de exposição à luz ultravioleta.
IV- As ROMs são o único tipo de dispositivo de memória que são acessadas de modo aleatório.
Assinale a opção correta.
Provas
Analise a figura abaixo:

Que códigos binários devem ser selecionados nas chaves S3, S2, S1 e S0, respectivamente, para que a informação contida na entrada I1 seja transferida para a saída D2 do DEMUX?
Provas
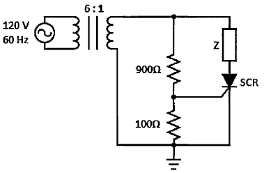
Analise o circuito abaixo para uma carga genérica Z considerando que o SCR possui tensão de disparo do gatilho e corrente de disparo do gatilho, respectivamente, VGT = 0,982 V e IGT = 200 μA, e sua corrente de manutenção é desprezível:

Assinale a opção que apresenta o ciclo de trabalho (Duty Cycle) do SCR.
Provas
Observe a figura abaixo:

A figura acima mostra a tela de um osciloscópio que foi configurado na escala vertical com 10V/div e na escala horizontal com 2ms/div. Com base nos dados, determine a frequência, o valor eficaz e o valor médio do sinal medido respectivamente, e assinale a opção correta.
Provas
Com relação às características e benefícios de um sistema com CLP (Controladores Lógicos Programáveis), assinale a opção INCORRETA.
Provas
Coloque (F) falso ou (V) verdadeiro nas afirmativas abaixo, em relação aos conversores digital-analógico e analógico-digital, assinalando a seguir a opção correta.
( ) A resolução percentual de um DAC depende unicamente do número de bits.
( ) O erro de fundo de escala soma um pequeno valor positivo ou negativo à saí da analógica esperada para qualquer entrada digital.
( ) O erro de offset é o desvio máximo do valor ideal de saída do DAC, expresso como porcentagem do fundo de escala.
( ) Um DAC é monotônico se sua saída aumenta conforme a entrada binária é incrementada de um valor para o seguinte.
( ) A tensão de saída VAX de um ADC de rampa digital é uma forma de onda do tipo escada que aumenta em passos discretos até exceder a tensão de entrada, VA. O fato de que VAX não aumenta de maneira contínua, mas em degraus, provoca uma diferença entre a quantidade real (analógica) e o valor digital associado. Isso é denominado erro de quantização.
Provas
A partir do mapa de Karnaugh (mapa K) abaixo, determine a expressão mínima de saída e assinale a opção correta.

Provas
Observe a figura abaixo:

Com relação às famílias lógicas de circuitos integrados (Cls) TTL e MOS, analise as afirmativas a seguir:
I- Os Cls MOS podem acomodar um número muito maior de elementos de circuito em um único chip do que Cls bipolares.
II- Em qualquer CI TTL, todas as entradas serão 1s se não estiverem conectadas a algum sinal lógico ou a GND.
III- A principal desvantagem dos dispositivos TTL é o risco de serem danificados por eletricidade estática. Embora isso possa ser minimizado por procedimentos adequados de manuseio, os MOS são muito mais duráveis.
IV- Sempre que duas (ou mais) entradas TTL na mesma porta são conectadas para formar uma entrada comum, como apresentado na figura acima, essa entrada comum representará uma carga que é a soma das correntes de carga de entrada individual.
Assinale a opção correta.
Provas
Com relação ao diodo semicondutor, assinale a opção INCORRETA.
Provas
Observe o circuito abaixo:

Determine a função desempenhada pelo circuito acima e assinale a opção correta.
Provas
Caderno Container