Foram encontradas 850 questões.
O fluido contido num tanque é movimentado por um agitador. O trabalho fornecido ao agitador é de 7.353kJ e o calor transferido do tanque é de 1.500kJ. Considerando o tanque e o fluido como sistema, determine a variação da energia do sistema nesse processo e assinale a opção correta.
Provas
Considerando os tipos de trabalho superficial em desenhos de máquinas, assinale a opção que apresenta o significado da indicação do símbolo " ~" em uma superfície com acabamento.
Provas
Observe a figura abaixo:

Assinale a opção que apresenta qual o tipo de rosca definido pela figura acima.
Provas
Uma partícula descreve um movimento circular uniforme de período !$ \dfrac{\pi}{4} !$s e raio 2m. Com base nessas informações, calcule qual é a aceleração centrípeta da partícula e assinale a opção correta.
Provas
Uma sala de 6m x 10m x 4m a 10kPa e 27ºC contém apenas nitrogênio. Considerando que o N2 comporta-se como gás ideal, calcule a quantidade de mais de N2 e assinale a opção correta.
Dado: !$ R = 8,3 { \large N.m \over mol.K} !$
Provas
Como são classificados os motores que apresentam diâmetro do cilindro menor do que o curso do pistão?
Provas
Considerando que o ar escoa em um tubo com raio 0, 1 m, com velocidade uniforme de 10m/s, calcule qual a vazão de ar, em m3/s, e assinale a opção correta.
Provas
Na retificação interna e na externa a velocidade de· rotação do rebolo em relação à velocidade de rotação da peça, será, respectivamente:
Provas
Sobre os motores à combustão interna, analise as afirmativas abaixo e assinale a opção correta.
I- No turbocompressor, o compressor não tem ligações mecânicas com o motor, não consumindo potência de seu eixo.
II- O turbocompressor opera de maneira mais· efetiva em médias ·e altas rotações e cargas do' motor. · · ·
III - O resfriador de ar de admissão - aftercooler - viabiliza a redução da densidade do ar no coletor de admissão do motor.
IV- Na sobrealimentação mecânica, o compressor é acionado mecanicamente pelo próprio motor, do qual consome uma parte da potência.
Provas
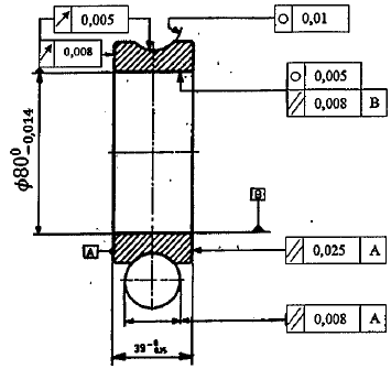
Observe a figura abaixo.

Com relação às tolerâncias geométricas do aro exterior do rolamento de esferas representado na figura acima, determine qual o valor que a batida axial da superfície do rolamento com relação ao furo !$ \phi 80_{0,014}^{ \circ} !$ não deve ultrapassar e assinale a opção correta.
Provas
Caderno Container