Foram encontradas 350 questões.
Em um determinado ponto de um sistema elétrico trifásico de 120kV de tensão de linha, a potência de curto-circuito é de 50MVA.
Considerando que a potência e a tensão de bases são, respectivamente, 100MVA e 120kV, é correto afirmar que a impedância de Thèvenin do sistema, reduzido no ponto considerado, é:
Provas
Questão presente nas seguintes provas
Considere um sistema elétrico do tipo estrela-estrela desequilibrado a quatro fios, onde
!$ \vec{I}_N] !$ é a corrente elétrica de neutro. Sabendo-se que qualquer corrente elétrica pode ser decomposta por seus componentes simétricos
!$ \vec{I}_0 !$,
!$ \vec{I}_1 !$,
!$ \vec{I}_2 !$, definidas respectivamente, como correntes de sequências zero, positiva e negativa.
A equação que relaciona
!$ \vec{I}_N] !$ com seus componentes simétricos é:
Provas
Questão presente nas seguintes provas
A chave estrela-triângulo é muito utilizada para a partida e controle de motores dado o seu custo reduzido e sua praticidade.
Para um motor, que pode ser ligado nas configurações estrela e triângulo, a utilização dessa chave pode provocar a variação da sua potência em um fator igual a:
Provas
Questão presente nas seguintes provas
O esquema acima mostra um circuito RL série com uma fonte de tensão alternada de 100V eficazes. A potência aparente solicitada pelas cargas do circuito, em VA, é igual a
Provas
Questão presente nas seguintes provas
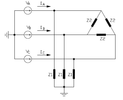
A solução de circuitos trifásicos equilibrados é facilitada quando se adota o equivalente de linha única do circuito. Entretanto, quando as impedâncias da carga são ligadas em !$ \Delta !$, faz-se necessário converter estas impedâncias para o seu equivalente em Y.

Com base no exposto, o equivalente em Y da impedância da carga ligada em !$ \Delta !$ e o módulo da corrente de linha do circuito a seguir são, respectivamente:
Dados: !$ V_A !$ = !$ 120 !$ !$ \angle !$ !$ 0ºV !$; !$ V_B !$ = !$ 120 !$ !$ \angle !$ !$ –120ºV !$; !$ V_C !$ = !$ 120 !$ !$ \angle !$ !$ 120ºV !$; !$ Z_1 !$ = !$ 6 !$ !$ \angle !$ !$ 30º Ω !$ e !$ Z_2 !$ = !$ 6 !$ !$ \angle !$ !$ 30º Ω !$.
Provas
Questão presente nas seguintes provas
Em um circuito trifásico equilibrado, cuja sequência de fase é acb (sequência inversa e a tensão entre a fase !$ \alpha !$ e o neutro é !$ \vec{V}an = 110 \angle -\alphaº V !$, as tensões fasoriais em volts entre as fases são:
Provas
Questão presente nas seguintes provas
Uma viga biapoiada construída com material homogêneo elástico-linear, comprimento L, módulo de elasticidade longitudinal E, e submetida a uma carga concentrada P no meio do vão, apresenta deslocamento máximo, devido a esta carga P, dado por:
Provas
Questão presente nas seguintes provas
A tensão devida ao empuxo em repouso, para um determinado solo adjacente a uma estrutura de contenção, é dada por !$ σ_0 !$ = !$ K_0 γ Z !$, onde !$ K_0 !$ é o coeficiente de empuxo, !$ γ !$ é o peso específico do solo e Z é a profundidade.
Se a estrutura de contenção possui altura H, a resultante do empuxo será dada pela expressão:
Provas
Questão presente nas seguintes provas
A relação entre o volume escoado e o volume precipitado numa determinada área de uma bacia hidrográfica é denominada escoamento superficial.
Considere:
!$ C_1 !$: valor do coeficiente de escoamento superficial de um terreno arenoso.
!$ C_2 !$:valor do coeficiente de escoamento superficial de um terreno argiloso.
!$ C_3 !$: valor do coeficiente de escoamento superficial de um terreno impermeabilizado.
A esse respeito, pode-se afirmar que:
Provas
Questão presente nas seguintes provas
A expressão que define a linha de influência de momentos fletores em uma seção situada no meio do vão de uma viga biapoiada de comprimento L, sendo x a distância ao apoio esquerdo, para x < L/2 é:
Provas
Questão presente nas seguintes provas
Cadernos
Caderno Container