Foram encontradas 906 questões.
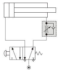
A figura abaixo mostra um atuador pneumático de dupla ação comandado por uma válvula direcional acionada por um botão.

A função da válvula em destaque é
Provas
A figura mostra um trecho de um circuito hidráulico. O componente em destaque tem a função de
Provas
Os tubos 1 e 2 conectados ao atuador hidráulico da figura abaixo têm mesmo diâmetro.

Durante o avanço do atuador, serão iguais as
Provas
A figura abaixo representa um ciclo típico de tratamento térmico.

Os quatro tratamentos envolvidos correspondem, pela ordem, a
Provas
No diagrama ferro-carbono, o ponto correspondente a 1148 °C e 4,3% de carbono é
Provas
Numa análise micrográfica, após ataque químico e leve polimento, as imagens que melhor se revelam são de
Provas
A presença de pequenas dentritas, mais visíveis após ataque e leve repolimento, na seção transversal de um corpo de prova em uma análise macrográfica, tem como provável interpretação tratar-se de material
Provas
Num ensaio de tração, um corpo de prova com módulo de elasticidade de 200 GPa foi submetido a uma tensão de 200 MPa, abaixo da tensão de escoamento. Portanto, a deformação percentual do corpo de prova foi de, aproximadamente,
Provas
Num laboratório, alguns tipos de aços foram submetidos a ensaios de tração e a fratura de um deles apresentou o aspecto mostrado na figura abaixo.

Trata-se, provavelmente, do aço ABNT
Provas
Diferentes dimensões de corpos de prova não apresentam proporcionalidade nos resultados obtidos em ensaios de impacto. Por isso, é fundamental o rigor das medidas como, por exemplo, o corpo de prova padrão Charpy, em que um de seus modelos apresenta um entalhe triangular de 2 mm de profundidade e um ângulo de sulco de
Provas
Caderno Container