Foram encontradas 60 questões.
Atenção: Considere o enunciado abaixo para responder à questão .
A figura abaixo mostra, esquematicamente, um dos pistões de um motor de combustão interna de quatro tempos e seis cilindros nas posições limites superior e inferior.

Sendo o volume morto de 50 cm3 e a taxa de compressão de 8, a cilindrada desse motor, em cm3 , é igual a
A figura abaixo mostra, esquematicamente, um dos pistões de um motor de combustão interna de quatro tempos e seis cilindros nas posições limites superior e inferior.

Sendo o volume morto de 50 cm3 e a taxa de compressão de 8, a cilindrada desse motor, em cm3 , é igual a
Provas
Questão presente nas seguintes provas
Atenção: Considere o enunciado abaixo para responder à questão .
A figura abaixo mostra, esquematicamente, um dos pistões de um motor de combustão interna de quatro tempos e seis cilindros nas posições limites superior e inferior.

Nesse motor, se o tempo de admissão acabou de ser executado em um dos cilindros, o tempo de escape ou exaustão, no mesmo cilindro, se iniciará quando o virabrequim girar a
A figura abaixo mostra, esquematicamente, um dos pistões de um motor de combustão interna de quatro tempos e seis cilindros nas posições limites superior e inferior.

Nesse motor, se o tempo de admissão acabou de ser executado em um dos cilindros, o tempo de escape ou exaustão, no mesmo cilindro, se iniciará quando o virabrequim girar a
Provas
Questão presente nas seguintes provas
A figura abaixo representa um corpo de geometria irregular completamente submerso num líquido.

O fio que impede que o corpo atinja o fundo do recipiente registra uma carga de 200 N e o volume do líquido deslocado é de 100 l. Como o peso específico do líquido é de 10 kN/m3 , o peso específico do corpo, em kN/m3 , é de

O fio que impede que o corpo atinja o fundo do recipiente registra uma carga de 200 N e o volume do líquido deslocado é de 100 l. Como o peso específico do líquido é de 10 kN/m3 , o peso específico do corpo, em kN/m3 , é de
Provas
Questão presente nas seguintes provas
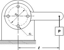
A figura mostra uma junta fixada por quatro rebites iguais com carregamento excêntrico.

l = 150 mm
dp = 50 mm
P = 500 N
dr = 10 mm
Considerando que a carga de cisalhamento seja igualmente distribuída pelos rebites, o mais solicitado sofre uma tensão de

l = 150 mm
dp = 50 mm
P = 500 N
dr = 10 mm
Considerando que a carga de cisalhamento seja igualmente distribuída pelos rebites, o mais solicitado sofre uma tensão de
Provas
Questão presente nas seguintes provas
Aditivos tais como: teflon, grafite, bissulfeto de molibdênio ou, a base de molibdênio ou boro, são empregados visando reduzir a energia necessária ao deslizamento de partes móveis entre si, formando uma película que se rompe com o movimento, mas que se recompõe automaticamente. Estes aditivos são ditos
Provas
Questão presente nas seguintes provas
Atenção: Considere o enunciado abaixo para responder à questão.
Um trecho da barra da figura abaixo está submetido a uma carga uniformemente distribuída.
No diagrama de momentos fletores desse carregamento, os trechos AC e CB são, respectivamente,
Um trecho da barra da figura abaixo está submetido a uma carga uniformemente distribuída.
No diagrama de momentos fletores desse carregamento, os trechos AC e CB são, respectivamente,
Provas
Questão presente nas seguintes provas
O efeito desoxidante e controlador do tamanho de grão, formando carbonetos estáveis e melhorando a temperabilidade dos aços para ferramentas, se dá, principalmente, pela presença do elemento químico
Provas
Questão presente nas seguintes provas
A leitura da escala do micrômetro interno, representada abaixo, corresponde a


Provas
Questão presente nas seguintes provas
O raio hidráulico de uma vala aberta por onde escoa água é de 0,5 m. Essa vala é retangular com 2 m de largura e altura suficiente para que a água não transborde. Se essa vala tivesse o dobro da largura, mantidas a vazão e a velocidade de escoamento, o raio hidráulico seria de
Provas
Questão presente nas seguintes provas
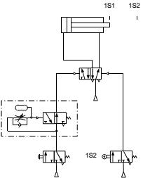
Atenção: Considere o enunciado abaixo para responder à questão .
No circuito pneumático da figura abaixo, ao se acionar o botão, a haste do atuador deve avançar e retornar automaticamente.

No movimento da haste do atuador, o componente contornado por traço-ponto tem a função de
No circuito pneumático da figura abaixo, ao se acionar o botão, a haste do atuador deve avançar e retornar automaticamente.

No movimento da haste do atuador, o componente contornado por traço-ponto tem a função de
Provas
Questão presente nas seguintes provas
Cadernos
Caderno Container