Foram encontradas 531 questões.
Considere as tabelas de dispositivos de rede e das camadas OSI onde eles atuam:
Dispositivos de rede Camadas onde atuam
I Bridge X Física, apenas
II Roteador Y Física e Enlace, apenas
III Hub Z Física, Enlace e Rede, apenas
IV Switch
A associação correta entre dispositivos de rede e as camadas onde atuam é:
Dispositivos de rede Camadas onde atuam
I Bridge X Física, apenas
II Roteador Y Física e Enlace, apenas
III Hub Z Física, Enlace e Rede, apenas
IV Switch
A associação correta entre dispositivos de rede e as camadas onde atuam é:
Provas
Questão presente nas seguintes provas
Tem-se uma fonte de alimentação composta de um transformador, uma ponte retificadora e um capacitor de filtro. A tensão de saída possui a seguinte característica: 20 V (valor médio) e ripple pico a pico de ± 2 V com capacidade de corrente de 1,5 A. Para se obter uma tensão de 15 V estabilizada com capacidade de corrente de 1 A, deve-se usar na saída da fonte o circuito integrado:
Provas
Questão presente nas seguintes provas
Em uma barreira óptica formada por um LED e um foto- transistor infravermelhos, cuja saída deve fornecer um nível lógico para o port de entrada de um microcontrolador, a forma correta de conectar o fototransistor é:
Provas
Questão presente nas seguintes provas
Deseja-se obter uma tensão estabilizada de 12 V com capacidade de corrente de 20 mA a partir de uma tensão VE com valor médio de 20 V e ripple de ± 10%. O circuito usado está representado abaixo:

O resistor R comercial mais adequado tem valor nominal:
Diodo Zener:
VZ = 12 V
PZMÁX = 1 W
IZK = 10 mA
Provas
Questão presente nas seguintes provas
- Diodo na Engenharia Eletrônica
- Eletrônica Analógica na Engenharia Eletrônica
- Sistemas EmbarcadosMicrocontroladores
- Transistores
O circuito abaixo corresponde a uma interface de potência a ser ligada a um port de saída de um microcontrolador:

O valor comercial mais adequado para o resistor RB é:
Port de saída:
VOH = 4,0 V (mínimo)
IOH = 0,8 mA (máximo)
Relé: Vbob = 12 V
Ibob = 40 mA
Transistor:
ICmáx = 500 mA
VBEsat = 0,7 V
hFEsat = 100
Provas
Questão presente nas seguintes provas
Um microcontrolador da família 8051, como o 89S52, possui 8k de memória de programa, 256 bytes de memória de dados e tem o pino
conectado ao VCC através de um resistor de pull-up. Analise as proposições abaixo em relação a este sistema:
I. Possui como endereçamento de memória de programa interna os endereços de 0000H a 3FFFH. Os endereços de 4000H a FFFFH ficam disponíveis para endereçamento de memória de programa ex- terna.
II. Os endereços de 00H a 7FH da memória de dados interna são acessíveis pelos modos de endereçamento direto e indireto enquanto que, os endereços de 80H a FFH são acessíveis somente pelo modo de endereçamento indireto.
III. Pode-se utilizar a instrução MOVX para acesso à memória de dados externa.
IV. A instrução MOVC fica disponível apenas para acesso a memória de programa interna.
São corretas APENAS as proposições
conectado ao VCC através de um resistor de pull-up. Analise as proposições abaixo em relação a este sistema: I. Possui como endereçamento de memória de programa interna os endereços de 0000H a 3FFFH. Os endereços de 4000H a FFFFH ficam disponíveis para endereçamento de memória de programa ex- terna.
II. Os endereços de 00H a 7FH da memória de dados interna são acessíveis pelos modos de endereçamento direto e indireto enquanto que, os endereços de 80H a FFH são acessíveis somente pelo modo de endereçamento indireto.
III. Pode-se utilizar a instrução MOVX para acesso à memória de dados externa.
IV. A instrução MOVC fica disponível apenas para acesso a memória de programa interna.
São corretas APENAS as proposições
Provas
Questão presente nas seguintes provas
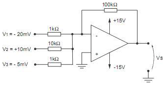
Considere o circuito abaixo:

A saída VS vale, em volt:

A saída VS vale, em volt:
Provas
Questão presente nas seguintes provas
Analise o circuito lógico abaixo:

A expressão lógica equivalente de saída é:

A expressão lógica equivalente de saída é:
Provas
Questão presente nas seguintes provas
Analise a curva característica abaixo:

Ela corresponde ao dispositivo denominado

Ela corresponde ao dispositivo denominado
Provas
Questão presente nas seguintes provas
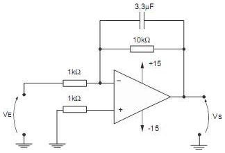
Considere o circuito abaixo:

A frequência limite ou de corte, para que o circuito funcione como integrador é, aproximadamente:

A frequência limite ou de corte, para que o circuito funcione como integrador é, aproximadamente:
Provas
Questão presente nas seguintes provas
Cadernos
Caderno Container