Foram encontradas 531 questões.
Em circuitos integrados TTL, o número de entradas de blocos lógicos que pode ser ligado à saída de outro bloco lógico sem causar degeneração do nível lógico é a especificação denominada
Provas
Questão presente nas seguintes provas
Dispositivo que conecta duas ou mais redes de computadores transferindo, seletivamente, dados entre ambas. Trata-se de:
Provas
Questão presente nas seguintes provas
Para a radiodifusão comercial em FM (88MHz - 108MHz) é estipulada para cada emissora uma largura de faixa de 180kHz e uma banda de guarda de 10kHz em cada lado da faixa, a fim de evitar interferência entre as emissoras. Nesse caso, o número máximo de emissoras que poderia ocupar o espectro de FM comercial em uma única região é:
Provas
Questão presente nas seguintes provas
Nos analisadores de espectros, geralmente a escala horizontal é logarítmica para
Provas
Questão presente nas seguintes provas
O circuito integrado 74LS193 (Synchronous Up/Down 4-Bit Binary Counter with Dual Clock) operando como down counter possui uma saída que permanece em nível alto em todos os estados de saída, exceto quando da passagem dos estados "0" para o "15". Tal saída é denominada
Provas
Questão presente nas seguintes provas
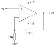
Considere o circuito abaixo:

Com VE = 1V, VS será igual a:

Com VE = 1V, VS será igual a:
Provas
Questão presente nas seguintes provas
Considere o circuito abaixo:


Provas
Questão presente nas seguintes provas
Considere o circuito abaixo:

A corrente I vale, em mA:

A corrente I vale, em mA:
Provas
Questão presente nas seguintes provas
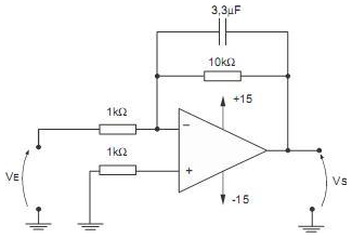
Considere o circuito abaixo:

A frequência limite ou de corte, para que o circuito funcione como integrador é, aproximadamente:

A frequência limite ou de corte, para que o circuito funcione como integrador é, aproximadamente:
Provas
Questão presente nas seguintes provas
Considere o circuito abaixo:

Sendo R = 10 kΩ, a resistência equivalente entre os pontos X e Y vale

Sendo R = 10 kΩ, a resistência equivalente entre os pontos X e Y vale
Provas
Questão presente nas seguintes provas
Cadernos
Caderno Container