Foram encontradas 120 questões.
Julgue o próximo item, a respeito das especificações de projetos para instalações elétricas.
Um condutor de proteção pode ser compartilhado por mais de um circuito.
Provas

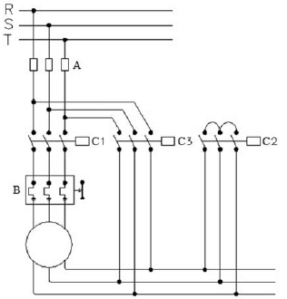
Em relação ao esquemático precedente, julgue o item que se segue.
O dispositivo C1 é responsável por acionar a parte triângulo da chave estrela-triângulo de partida do motor.
Provas

Com base no projeto elétrico precedente, e considerando que a tensão local é de 220 V, julgue o item a seguir.
A tomada de 600 VA deve ser instalada a uma altura acima da pia do banheiro.
Provas
- Sistemas OperacionaisWindowsFuncionalidades do WindowsGerenciamento de Arquivos e PastasWindows Explorer
Julgue o item subsequente, a respeito de organização e gerenciamento de informações, arquivos, pastas e programas.
O nome de uma nova pasta criada em um disco rígido deve obedecer a algumas regras, a exemplo da que limita o tamanho do nome a 64 caracteres.
Provas
- Transformadores e Máquinas ElétricasMáquinas EstáticasTransformador de Corrente
- Transformadores e Máquinas ElétricasMáquinas EstáticasTransformador de Potência
Julgue o próximo item, a respeito de autotransformadores, transformadores de corrente, transformadores de potencial e ensaios e testes típicos em transformadores.
Para as mesmas tensões e potência nominais, o autotransformador é um equipamento menor e mais leve que um transformador de dois enrolamentos.
Provas
- Transformadores e Máquinas ElétricasMáquinas EstáticasTransformador de Corrente
- Transformadores e Máquinas ElétricasMáquinas EstáticasTransformador de Potência
Julgue o próximo item, a respeito de autotransformadores, transformadores de corrente, transformadores de potencial e ensaios e testes típicos em transformadores.
No ensaio em curto-circuito de um transformador, a tensão aplicada ao enrolamento primário deve ser aumentada gradativamente de zero até a tensão nominal.
Provas
Julgue o próximo item, a respeito de autotransformadores, transformadores de corrente, transformadores de potencial e ensaios e testes típicos em transformadores.
O transformador de potencial é capaz de reduzir a tensão do circuito para níveis compatíveis com a máxima tensão suportável por instrumentos de medição e por circuitos de proteção.
Provas
Julgue o próximo item, a respeito de autotransformadores, transformadores de corrente, transformadores de potencial e ensaios e testes típicos em transformadores.
Os transformadores de corrente são utilizados apenas em sistemas de proteção.
Provas
Com relação a regulação de tensão e a rendimento de transformadores de dois enrolamentos, julgue o seguinte item.
O rendimento de um transformador em determinado ponto de operação é igual ao quociente entre a potência ativa recebida pelo enrolamento primário da fonte e a potência ativa entregue pelo enrolamento secundário à carga naquele ponto de operação.
Provas
Com relação a regulação de tensão e a rendimento de transformadores de dois enrolamentos, julgue o seguinte item.
A regulação de tensão em um transformador ideal é igual a zero.
Provas
Caderno Container