Foram encontradas 1.470 questões.
Um analista pericial construiu um modelo de projétil na escala 1:8 que apresenta um coeficiente de arrasto 3 para um número de Mach igual a 2, correspondendo a um movimento em ar à temperatura ambiente. Considere o ar comportando-se como gás ideal. Um protótipo desse modelo foi disparado com o mesmo número de Mach em ar,à mesma temperatura e cuja a massa específica foi igual à metade daquela do ar no escoamento do modelo. Nessas condições a força de resistência do ar sobre o protótipo é
Provas
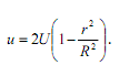
A figura a seguir ilustra um escoamento incompressível e laminar em um duto circular de raio R. O escoamento desenvolve-se a partir de um perfil uniforme com velocidade U até adquirir, na seção 2, um perfil de velocidades na forma de um parabolóide

Sendo
a massa específica do fluido e denotando por p1 e p2 as pressões nas seções 1 e 2, respectivamente, a força de arrasto F que as paredes do duto exercem sobre o fluido é igual a

Provas
Um eixo de raio "a" gira a 240 rpm num mancal com folga radial 10-3 a. A tensão de cisalhamento em (N/m2 ) em uma lâmina de óleo de viscosidade µ é
Provas
Assinale a opção incorreta.
Provas
Considere a mudança de estado de líquido saturado para vapor saturado de uma substância pura que obedece à seguinte relação termodinâmica

em que P, T, v e s denotam pressão, temperatura, volume específico e entropia específica, respectivamente.
Para estados termodinâmicos na região de saturação, a diferença de entalpia do vapor (hv) e do líquido (hl), representada por hlv = hv - hl, pode ser determinada a partir da inclinação ß = (d P / dT)sat da curva de pressão de vapor e da diferença dos volumes específicos vapor saturado - líquido vlv = vv - vl à temperatura dada. Marque a opção que fornece a expressão correta para o cálculo da diferença de entalpia vapor líquido saturado.
Provas
Um gás perfeito é comprimido reversivelmente em um sistema cilindro pistão de 100 kPa para 200kPa. No estado inicial, o gás se encontra a uma temperatura de 600K. A compressão realiza-se segundo um processo politrópico com expoente n = 1/2. Considerando a constante de gás perfeito R = 2kJ/(kg K), o valor absoluto, por unidade de massa, do trabalho associado ao processo é igual a
Provas
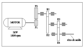
A figura a seguir mostra um sistema de transmissão composto de motor, transmissões por correia e por engrenagens. As polias P1 e P2 possuem diâmetros de 70mm e 140mm, respectivamente. A engrenagem E1 possui 15 dentes e a engrenagem E2 possui 45 dentes. A engrenagem E4 possui um número de dentes igual ao dobro do número de dentes da engrenagem E3. As perdas na transmissão por correia, engrenagens e mancais conferem ao sistema um rendimento total de 80%. Sabendo que o motor que aciona a transmissão é de 1kW e gira a 1800 rpm, o torque no eixo de saída é:

Provas
Durante o processo de montagem de uma viga metálica de seção transversal retangular, ocorreu um erro no alinhamento de suas extremidades. A configuração final da viga é ilustrada na figura abaixo. Na extremidade esquerda a viga é engastada e na extremidade direita a viga é rotulada.

Propriedades do material: O material tem Módulo de Young E e é linear, ou seja, a tensão varia linearmente como o deslocamento vertical
A constante de proporcionalidade k é dada por k = -M/J, em que M é o momento fletor na viga e
é o momento de inércia da seção transversal. A integração da linha elástica resulta em:

em que
é a reação no engaste e C1 e C2 são constantes de integração. O valor do momento no engaste em valor absoluto, resultante do referido erro de montagem é dada por:
Provas
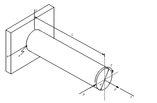
A figura a seguir mostra uma barra de seção circular sujeita a uma torção T e aos carregamentos P e F, conforme indicado. A força P é paralela ao eixo z e a força F está ao longo do eixo x. Sabendo que o segundo momento de área da seção circular é
em que d é o diâmetro da seção, julgue os itens a seguir, marque com F a(s) afirmativa(s) falsa(s) e com V a(s) verdadeira(s) e assinale a opção correta.

( ) O princípio da superposição de carregamentos empregado na análise do estado de tensões de um dado ponto da barra está baseado na hipótese de que o material se comporta dentro da região linear elástica.
( ) Considerando que L = 8d e F = 16P, a tensão normal no ponto A é trativa e possui valor absoluto igual a 
( ) As tensões cisalhantes no ponto A são devidas aos esforços torsores induzidos por T e aos esforços cortantes induzidos pelo carregamento P.
( ) Se a barra estivesse sujeita apenas ao carregamento F, os critérios da máxima tensão normal e da máxima tensão cisalhante forneceriam os mesmos fatores de segurança para falha estática.
Provas
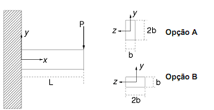
Uma viga de material metálico de comprimento L, que será utilizada para suportar uma carga P em balanço, deve ser engastada em uma parede, como ilustrado na figura abaixo. Como a seção é retangular, existem duas possibilidades de montagem: a opção A e a opção B. O arquiteto responsável pela obra sugeriu, por motivos estéticos, a opção B, mas o engenheiro, após realizar os cálculos pertinentes, optou pela opção A, por julgar mais segura. Assuma que a tensão no material é dada por
onde M é o momento fletor na viga e J é o momento de inércia da seção transversal e que
é a tensão máxima suportada pelo material da viga. Indique, nas opções abaixo quantas vezes maior pode ser o valor da carga P se a opção A for utilizada.

Provas
Caderno Container