Foram encontradas 924 questões.
Um engenheiro eletricista iniciou um projeto de ampliação de uma instalação elétrica predial e obteve os seguintes dados de carga do cliente:
• demanda máxima 680 kW;
• potência instalada 1500 kW; e
• demanda média diária 350 kW.
Com base nessa situação hipotética, julgue os próximos itens, a respeito de elaboração de projetos de instalações elétricas.
A relação entre a demanda média diária e a potência instalada indica o fator de simultaneidade, uma vez que representa a demanda de potência simultânea de todos os aparelhos em funcionamento na instalação.
Provas
Um engenheiro eletricista iniciou um projeto de ampliação de uma instalação elétrica predial e obteve os seguintes dados de carga do cliente:
• demanda máxima 680 kW;
• potência instalada 1500 kW; e
• demanda média diária 350 kW.
Com base nessa situação hipotética, julgue os próximos itens, a respeito de elaboração de projetos de instalações elétricas.
Os dados informados são suficientes para calcular o fator de perda diária da instalação.
Provas
Um engenheiro eletricista iniciou um projeto de ampliação de uma instalação elétrica predial e obteve os seguintes dados de carga do cliente:
• demanda máxima 680 kW;
• potência instalada 1500 kW; e
• demanda média diária 350 kW.
Com base nessa situação hipotética, julgue os próximos itens, a respeito de elaboração de projetos de instalações elétricas.
O fator de demanda relaciona a demanda máxima do sistema e a carga total conectada ao sistema por um período de tempo considerado.
Provas
A respeito dos procedimentos de distribuição de energia elétrica no sistema elétrico nacional (PRODIST) — Módulo 8 — Qualidade do fornecimento de energia elétrica —, julgue os itens de 108 a 111.
Considere novamente as componentes harmônicas do item anterior. A distorção harmônica individual de tensão DIT% da frequência de 240 Hz é de 2,5%.
Provas
A respeito dos procedimentos de distribuição de energia elétrica no sistema elétrico nacional (PRODIST) — Módulo 8 — Qualidade do fornecimento de energia elétrica —, julgue os itens de 108 a 111.
Considere-se um sistema de potência com frequência fundamental de 60 Hz com as seguintes componentes harmônicas de tensão em módulo: V1=100V; V2 =40V; V3=20V; e V4 = 5V. Nesse caso, é correto afirmar que a distorção harmônica total DTT% do sistema será de 45%.
Provas
A respeito dos procedimentos de distribuição de energia elétrica no sistema elétrico nacional (PRODIST) — Módulo 8 — Qualidade do fornecimento de energia elétrica —, julgue os itens de 108 a 111.
Para calcular a distorção harmônica individual de tensão DIT% de uma componente harmônica em um sistema de potência, deve-se obter a razão entre a componente harmônica individual e a soma de todas as componentes harmônicas do sistema. Em seguida, deve-se multiplicar o resultado por 100.
Provas
A respeito dos procedimentos de distribuição de energia elétrica no sistema elétrico nacional (PRODIST) — Módulo 8 — Qualidade do fornecimento de energia elétrica —, julgue os itens de 108 a 111.
Consideram-se as variações de tensão de curta duração (VTCD) os fenômenos de regime permanente, uma vez que o Sistema Elétrico Nacional opera em 60 Hz.
Provas
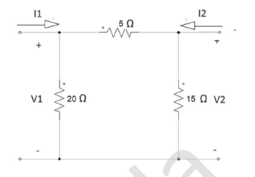
Considere-se o quadripolo abaixo, com elementos ideais.

A partir desses dados, julgue os itens que se seguem.
O ganho de corrente do sistema pode ser obtido pela relação \( \dfrac{I_2}{V_1} \) , uma vez que é necessário levar em conta 1 os parâmetros de corrente elétrica e tensão.
Provas
Considere-se o quadripolo abaixo, com elementos ideais.

A partir desses dados, julgue os itens que se seguem.
O parâmetro Z22 representa a impedância vista da saída quando a entrada está em curto-circuito.
Provas
Considere-se o quadripolo abaixo, com elementos ideais.

A partir desses dados, julgue os itens que se seguem.
Os parâmetros Z para o quadripolo são Z11 = 10\( Ω \) Z12 =7,5\( Ω \)Z21, = 7,5\( Ω \)Z22, = 9,375\( Ω \) .
Provas
Caderno Container