Foram encontradas 924 questões.
Considere-se o quadripolo abaixo, com elementos ideais.

A partir desses dados, julgue os itens que se seguem.
O quadripolo em questão é puramente resistivo no domínio da frequência.
Provas
A imagem a seguir trata de elementos de circuitos eletrônicos, entre os quais o transistor de efeito de campo metal-óxido-semicondutor de potência — MOSFET.

Considerando essas informações e a imagem acima, julgue os itens subsequentes.
O TRIAC é capaz de conduzir por ambas as direções em um circuito.
Provas
A imagem a seguir trata de elementos de circuitos eletrônicos, entre os quais o transistor de efeito de campo metal-óxido-semicondutor de potência — MOSFET.

Considerando essas informações e a imagem acima, julgue os itens subsequentes.
O transistor bipolar de porta isolada (IGBT) utiliza a característica de alta impedância de entrada do MOSFET.
Provas
A imagem a seguir trata de elementos de circuitos eletrônicos, entre os quais o transistor de efeito de campo metal-óxido-semicondutor de potência — MOSFET.

Considerando essas informações e a imagem acima, julgue os itens subsequentes.
Para que o MOSFET de potência atue como uma chave liga-desliga, basta que a tensão entre o dreno e a fonte seja VDS> 0.
Provas
A imagem a seguir trata de elementos de circuitos eletrônicos, entre os quais o transistor de efeito de campo metal-óxido-semicondutor de potência — MOSFET.

Considerando essas informações e a imagem acima, julgue os itens subsequentes.
Trata-se de um transistor de canal N.
Provas
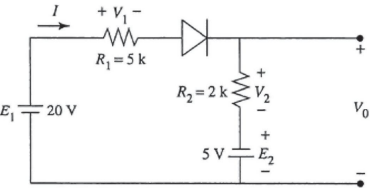
O circuito elétrico abaixo apresenta-se com dispositivos ideais.

Considerando essas informações e o circuito acima, julgue os próximos itens.
Caso a polaridade do diodo seja invertida, a tensão de saída V0, será igual a zero, dado que não há circulação de corrente elétrica.
Provas
O circuito elétrico abaixo apresenta-se com dispositivos ideais.

Considerando essas informações e o circuito acima, julgue os próximos itens.
O valor da tensão de saída V0 , é de 2 V.
Provas
O circuito elétrico abaixo apresenta-se com dispositivos ideais.

Considerando essas informações e o circuito acima, julgue os próximos itens.
O diodo conduz corrente elétrica quando a tensão no anodo é maior que a tensão no catodo.
Provas
As equações de Maxwell têm uma grande importância para o estudo do eletromagnetismo e, consequentemente, para a área da engenharia elétrica. As equações abaixo encontram-se na forma diferencial.
\( (1) ∇ ^. D = p \)
\( (2)∇ x H = j +\dfrac{ ∂D}{ ∂ t} \)
\( (3) ∇ x E = - \dfrac{∂ B}{∂ t} \)
\((4) ∇ ^. B = 0 \)
Com base nessas informações, julgue o item que se seguem.
Pela Lei de Hertz (equação (1)), pode-se calcular o campo eletrostático a partir de uma distribuição de cargas elétricas.
Provas
As equações de Maxwell têm uma grande importância para o estudo do eletromagnetismo e, consequentemente, para a área da engenharia elétrica. As equações abaixo encontram-se na forma diferencial.
\( (1) ∇ ^. D = p \)
\( (2)∇ x H = j +\dfrac{ ∂D}{ ∂ t} \)
\( (3) ∇ x E = - \dfrac{∂ B}{∂ t} \)
\((4) ∇ ^. B = 0 \)
Com base nessas informações, julgue o item que se seguem.
A corrente de deslocamento pode ser obtida pela derivada temporal do campo magnético em um circuito fechado.
Provas
Caderno Container