Foram encontradas 100 questões.
Disciplina: Engenharia de Telecomunicações
Banca: IPAD
Orgão: Polícia Científica-PE
Para transmitir com qualidade um sinal representado por uma onda retangular periódica, a largura de banda do canal deveria:
Provas
Disciplina: Engenharia de Telecomunicações
Banca: IPAD
Orgão: Polícia Científica-PE
O resultado do processo da amostragem é conhecido como:
Provas
Disciplina: Engenharia de Telecomunicações
Banca: IPAD
Orgão: Polícia Científica-PE
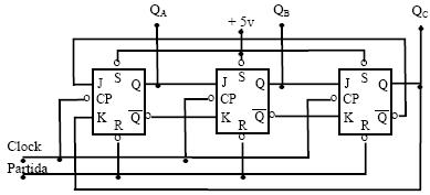
O circuito abaixo é um contador composto por FF – JK da família de circuitos integrados TTL. Considere os FF devidamente alimentados e ativados na descida do pulso de clock. Considere, também, que a saída do contador será um número decimal correspondente ao binário QC QB QA, sendo QA o bit menos significativo e que a linha de "partida" está normalmente no nível lógico 1 (um). Após ser fornecido um pulso negativo na linha de partida, é correto afirmar que enviando uma seqüência de pulsos na linha de clock, esse contador segue a seqüência de estado:

Provas
Disciplina: Engenharia de Telecomunicações
Banca: IPAD
Orgão: Polícia Científica-PE
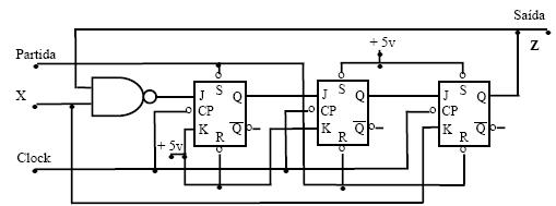
O circuito abaixo é composto por portas e flip-flop FF – JK, da família de circuitos integrados TTL. Considere os integrados devidamente alimentados e os FF ativados na descida do pulso de clock. A linha de "partida" está normalmente no nível lógico 1 (um). Após ser fornecido um pulso negativo na linha de partida e mantendo-se a linha X no nível lógico zero (X=0), é correto afirmar que a forma de onda de saída (Z) até o quinto pulso de clock será aquela apresentada no diagrama temporal correspondente à linha:

Provas
Disciplina: Engenharia de Telecomunicações
Banca: IPAD
Orgão: Polícia Científica-PE
Na figura abaixo, considere as portas devidamente alimentadas, A, B e C são as variáveis booleanas de entrada e Y a de saída do circuito. Quando a entrada C = 1, é correto afirmar que

Provas
No circuito apresentado na figura abaixo, considere o amplificador ideal e devidamente alimentado com as resistências R = 1 KΩ. É correto afirmar que:

Provas
No circuito apresentado na figura abaixo considere o amplificador ideal, devidamente alimentado e a resistência R = 1 k Ω. É correto afirmar que:

Provas
No circuito apresentado na figura abaixo as resistências estão em ohms (Ω) e as correntes em ampères (A). É correto afirmar que as tensões nos pontos A e B são:

Provas
O circuito apresentado na figura abaixo faz parte de uma rede onde deve ser aplicado o Teorema de Norton nos pontos A e B. Considere que as resistências estão em ohms (Ω). É correto afirmar que a fonte de corrente do circuito equivalente de Norton Isc é:

Provas
O circuito apresentado na figura abaixo faz parte de uma rede onde deve ser aplicado o Teorema de Thévenin nos pontos A e B. Considere que as resistências estão em ohms (Ω). È correto afirmar que a resistência de Thévenin Rth e a tensão de Thévenin V são respectivamente:

Provas
Caderno Container