Foram encontradas 800 questões.
A tabela apresenta diversos materiais metálicos e meios corrosivos:
| Materiais | Meios corrosivos |
| I - Aço carbono | a - Ácido nítrico |
| II - Aço inoxídavel | b - Ácido |
| III - Cobre | c - Soda cáustica |
| IV - Chumbo | d - Ácido sulfúrico concentrado (80%) |
| e - Água do mar |
Considerando a maior resistência à corrosão, assinale a única opção que indica compatibilidade (não provoca corrosão) para as combinações entre material metálico-meio corrosivo.
Provas
Questão presente nas seguintes provas
A seguir são apresentadas diversas medidas adotadas em atividades industriais:
I. Proteção anódica.
II. Modificações de projetos, de propriedades de metais e de processos de fabricação.
III. Manufatura de partes mecânicas com cantos vivos.
IV. Uso de folhas de aço de menor espessura em embalagem de alimentos.
V. Emprego de revestimentos protetores não metálicos.
Do grupo de medidas apresentadas, são medidas práticas, mais comumente utilizadas para combater a corrosão.
Provas
Questão presente nas seguintes provas
Há diversas caracterizações para tipificar a corrosão. Uma dessas é a caracterização segundo a morfologia do processo, por facilitar o esclarecimento do mecanismo e das medidas de proteção aplicáveis. Uma dessas formas de corrosão é a "por pite", que se processa:
Provas
Questão presente nas seguintes provas
A corrosão, em geral associada a casos de deterioração de materiais, pode ter, também, aspecto benéfico de grande importância industrial. Um exemplo dessa ação benéfica do processo de corrosão é
Provas
Questão presente nas seguintes provas
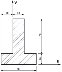
Considere a figura apresentada a seguir que representa a seção transversal de uma viga em "T", estando os eixos u e v nas direções horizontal e vertical, respectivamente:
Considerando que as cotas apresentadas na figura estão expressas em mm, é correto afirmar que o valor do momento de inércia da superfície plana desta seção, em relação ao eixo v, em cm 4, é igual a:
Provas
Questão presente nas seguintes provas
Na estrutura cristalina de um material metálico, quando imperfeições envolvem um ou poucos átomos, estas são denominadas imperfeições pontuais ou defeitos pontuais. Quando as imperfeições se desenvolvem linearmente através do cristal, são denominados imperfeições lineares ou defeitos lineares. Há, ainda, as chamadas imperfeições em superfície ou defeitos em superfície. As imperfeições que são particularmente importantes por tornar o material metálico muito mais dúctil devido à sua presença são imperfeições:
Provas
Questão presente nas seguintes provas
Muitas transformações de fases que ocorrem nas ligas metálicas envolvem difusão atômica no estado sólido. Considere as afirmativas I, II e III apresentadas a seguir relativas aos mecanismos de difusão no estado sólido em ligas metálicas:
I. Os átomos, em geral, têm maior facilidade de difusão no ferro CFC do que no ferro CCC, devido ao fato, deste último apresentar menor fator de empacotamento atômico.
II. Solutos intersticiais se movimentam por difusão com maior facilidade que os substitucionais. No ferro a difusão do carbono é mais fácil do que a dos elementos substitucionais.
III. A difusão ocorre mais facilmente pelo interior dos grãos do que pelos seus contornos, pois a região do contorno de grão possui menor nível de energia disponível para a ativação da difusão.
É correto afirmar que APENAS a afirmativa:
Provas
Questão presente nas seguintes provas
A figura abaixo apresenta um trecho simplificado do diagrama de equilíbrio de fases das ligas Fe-C.

Considerando que a fase CEMENTITA possui 6,7% de carbono e a fase FERRITA possui aproximadamente 0% de carbono, o teor de carbono do aço que apresenta 25% de PERLITA após resfriamento lento da AUSTENITA, em condições de equilíbrio, até a sua completa transformação é:
Provas
Questão presente nas seguintes provas
A figura abaixo mostra um diagrama de equilíbrio de fases binário isomorfo hipotético das ligas A-B.

Uma determinada liga apresenta, na temperatura T2, 90 kg do elemento químico B presente na fase sólida e 70 kg do elemento químico B presente na fase líquida. É correto afirmar que a porcentagem de B desta liga é:
Provas
Questão presente nas seguintes provas
Considere um metal de estrutura cristalina Cúbica de Faces Centradas (CFC). Em uma região sem imperfeições dessa estrutura cristalina, é correto afirmar que o número de átomos da célula unitária, o fator de empacotamento atômico e o número de vizinhos mais próximo de um determinado átomo são, respectivamente:
Provas
Questão presente nas seguintes provas
Cadernos
Caderno Container