Foram encontradas 120 questões.

Com base na figura acima, julgue os itens seguintes.
Entre as memórias auxiliares de massa, inclui-se a memória cache.
Provas

Com base na figura acima, julgue os itens seguintes.
Em uma memória principal do tipo RAM (random access memory, ou memória de acesso aleatório), o tempo de acesso é o mesmo para qualquer endereço.
Provas
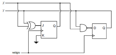
Acerca de circuitos digitais, julgue os itens subsecutivos.
Os números 10001001, 221 e 89, em base binária, octal e hexadecimal, respectivamente, correspondem ao número decimal 137.
Provas
Acerca de circuitos digitais, julgue os itens subsecutivos.
Se o estado atual da máquina de estado apresentada a seguir for X = 1 e Y = 0, então, após um ciclo completo do relógio, o estado será X = 0 e Y = 1.

Provas
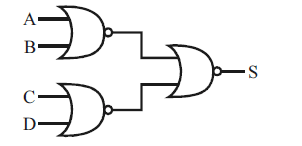
Acerca de circuitos digitais, julgue os itens subsecutivos.
O circuito a seguir implementa corretamente a expressão booliana S = (A+B)x(C+D).

Provas

No circuito II, vo = v1 + v2.
Provas

No circuito II, vo = v1 – v2.
Provas
De acordo com as condições de Barkhausen, para que um circuito funcione como oscilador,
o ganho do circuito em malha fechada deve ser igual a 1.
Provas
De acordo com as condições de Barkhausen, para que um circuito funcione como oscilador,
o deslocamento total da fase do sinal no circuito deve estar entre 0 e Π.
Provas
- Eletrônica AnalógicaAmplificadores, diodos, transistores, tiristores e dispositivos correlatos
- Eletrônica AnalógicaCircuitosCircuitos com Amplificadores e com conversores de dados
Acerca dos amplificadores de um ou mais estágios, julgue os próximos itens.
O ganho de um amplificador diretamente acoplado é menor em altas frequências do que em baixas frequências.
Provas
Caderno Container