Foram encontradas 120 questões.
Acerca dos amplificadores de um ou mais estágios, julgue os próximos itens.
Em um amplificador de múltiplos estágios, a principal função do primeiro estágio é proporcionar ganho alto.
Provas
- Eletrônica AnalógicaCircuitos
- Eletrônica AnalógicaAmplificadores, diodos, transistores, tiristores e dispositivos correlatos

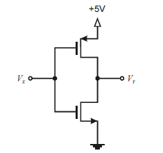
Com relação ao circuito acima, julgue os itens que se seguem.
Vy é diretamente proporcional a Vx.
Provas
- Eletrônica AnalógicaCircuitos
- Eletrônica AnalógicaAmplificadores, diodos, transistores, tiristores e dispositivos correlatos

Com relação ao circuito acima, julgue os itens que se seguem.
Se Vx = +5 V, então Vy é aproximadamente igual a +5 V.
Provas
- Eletrônica AnalógicaCircuitos
- Eletrônica AnalógicaAmplificadores, diodos, transistores, tiristores e dispositivos correlatos

Com relação ao circuito acima, julgue os itens que se seguem.
Se Vx = 0 V, então o transistor NMOS opera na região de corte.
Provas
- Eletrônica AnalógicaAmplificadores, diodos, transistores, tiristores e dispositivos correlatos
- Eletrônica AnalógicaCircuitosCircuitos com Amplificadores e com conversores de dados

Considerando o circuito representado na figura acima, julgue os itens subsequentes.

Provas
Em um diodo ideal inversamente polarizado, a corrente é negativa e o seu módulo aumenta de forma proporcional à tensão reversa de polarização.
Provas

Provas
- Circuitos ElétricosAnálise em Regime Permanente
- Circuitos ElétricosCircuitos Resistivos, RL e RC, e RLC

Considerando que os dois circuitos apresentados acima estão em regime permanente senoidal e que o segundo circuito é equivalente ao primeiro, julgue os itens seguintes.

Provas

Considerando que os dois circuitos apresentados acima estão em regime permanente senoidal e que o segundo circuito é equivalente ao primeiro, julgue os itens seguintes.
I3 = I1.
Provas
Considerando que um engenheiro eletrônico deva projetar um sistema de aquisição de dados e de controle, julgue os próximos itens.
Considere que a função do sistema de aquisição seja medir um sinal cujo espectro de frequência tem componentes com frequência máxima de 2 kHz. Nesse caso, 5.000 amostras por segundo corresponde a um valor apropriado para a taxa de amostragem do conversor analógico/digital do sistema, ou seja, consiste em um valor que satisfaz o teorema da amostragem de Nyquist e, consequentemente, evita a ocorrência do fenômeno denominado aliasing.
Provas
Caderno Container