Foram encontradas 80 questões.
Um gás perfeito sofre uma expansão adiabática e realiza um trabalho de 500 J. É correto afirmar que a(o):
Provas

A figura mostra uma linha de transmissão trifásica com suas respectivas fases. Na fase A, ocorre uma falta para a terra através da impedância Z. Sabendo que V1(F) é a tensão na falta de seqüência positiva e que as impedâncias nas seqüências zero, positiva e negativa são, respectivamente, Z0EQU, Z1EQU e Z2EQU, pode-se afirmar que a expressão da corrente de falta IF é:
Provas
Em relação aos estudos de estabilidade de sistemas elétricos de potência, é correto afirmar que:
Provas

O fluxo de potência ativa em uma linha de transmissão depende de sua abertura angular e flui dos ângulos maiores para os menores. O fluxo de carga linearizado, que é um modelo aproximado do fluxo não linear, permite estimar com baixo esforço computacional e relativa precisão, os ângulos das barras do sistema e os fluxos de potência ativa.
Considere o sistema de três barras representado na figura acima, com os dados em pu. Resolvendo o fluxo de carga pelo método linearizado e considerando a barra 1 como referência angular, os ângulos em radianos das barras 2 e 3 valem, respectivamente:
Provas
Em relação à automação elétrica de processos industriais, é correta a afirmação:
Provas
Um grupo aquecia-se para uma partida de futebol, quando uma descarga atmosférica atingiu o mastro metálico da bandeira em um dos cantos do campo. A figura ilustra o tipo de exercício que cada jogador fazia no exato instante da descarga e as posições de contato, das mãos e dos pés, de cada um com o solo.
Todos estão descalços e sem luvas, igualmente suados e têm aproximadamente o mesmo porte físico e estatura.

As três pessoas que estão sujeitas às conseqüências mais severas da descarga são:
Provas
O controle de um forno elétrico num processo térmico é realizado por um microcomputador. O forno é alimentado por uma fonte de corrente, controlada pelo sinal digital que vem do microcomputador. Sendo assim, considere as afirmações a seguir.
I - Sendo a temperatura do forno medida por um sensor e transmitida ao microcomputador para que este controle convenientemente a fonte de corrente, fica caracterizado um sistema em malha fechada.
II - Se o computador não recebe qualquer informação da variável controlada durante o processo, fica caracterizado um sistema em malha aberta.
III - O termopar é um tipo de transdutor que pode ser utilizado para produzir um sinal de tensão analógico proporcional à temperatura no interior do forno.
Está(ão) correta(s) a(s) afirmação(ões):
Provas
Giuseppe pretende ligar o seu computador (127 V, 254 W) em uma tomada monofásica tripolar (127 V) cujo circuito é protegido por um disjuntor termo-magnético de corrente nominal 20 A. Os três pinos da tomada são: F-fase, N-neutro e T-terra. Existe, próximo à sala, um eletrodo de aterramento composto por três estacas condutoras de 3,0 m de comprimento cada, dispostas em um triângulo eqüilátero de 1,0 m de lado e interligadas por um cabo de cobre, o qual se prolonga até o pino T da tomada. Para testar o eletrodo de aterramento, Giuseppe liga uma lâmpada de resistência 90 ohms entre os pinos F e T da tomada, enquanto mede uma tensão de 12,7 V entre os pinos T e N. Giuseppe, então, retira a lâmpada e liga seu computador à tomada. As massas do gabinete são ligadas ao pino T. Desconsiderando todas as demais cargas e as resistências dos condutores, é correto afirmar que:
Provas
Considere as afirmativas abaixo sobre o aterramento de sistemas e equipamentos.
I - Os dispositivos à corrente diferencial residual, empregados para proteção contra contatos indiretos, não podem ser aplicados em circuitos de instalações com esquema de aterramento do tipo TN-C.
II - Os dispositivos à corrente diferencial residual, empregados para proteção contra contatos indiretos, não podem ser aplicados em circuitos de instalações com esquemas de aterramento do tipo IT e TT.
III - De acordo com a NBR 5410, no esquema TN-S de proteção contra contatos indiretos, deve ser previsto nos quadros de distribuição parcial, um terminal (ou barra) de aterramento isolado dos condutores de neutro.
Está(ão) correta(s), apenas, a(s) afirmativa(s):
Provas
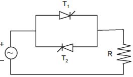
!$ v_s(t)=\sqrt2 V_f \sin(ω_ot) !$ 
A figura representa o circuito de um controlador de tensão CA. O tiristor T1 é disparado nos semi-ciclos positivos da tensão de entrada, enquanto T2 é disparado nos semi-ciclos negativos. Considerando que ângulo de disparo de T1 e T2 vale !$ \alpha !$, o valor da tensão eficaz sobre a resistência R é:
Provas
Caderno Container