Foram encontradas 3.569 questões.
O sistema de identificação de tubulações industriais adota, como primeiro elemento a ser indicado, o:
Provas
O desempenho de uma válvula depende da forma e do tipo de obturador utilizado e de como o mesmo reduz a área do orifício (sede) através do qual passa o fluido. A característica de vazão de uma válvula demonstra a proporcionalidade da variação da vazão do fluido em relação à variação do deslocamento da haste. Existem três características de vazão: a linear, a de abertura rápida e a exponencial. Sobre a válvula de abertura exponencial, é correto afirmar que:
Provas
O latão é uma denominação das ligas compostas essencialmente de:
Provas
O Protocolo Hart (Highway Adress Remote Transducer) consiste num sistema que combina o padrão 4 a 20 mA com a comunicação digital. É um sistema a dois fios com taxa de comunicação de 1.200 bits/s (bps) e modulação FSK (Frequency Shift Keying). O Hart é baseado no sistema mestre/ escravo, permitindo a existência de dois mestres na rede, simultaneamente. Uma de suas desvantagens é:
Provas
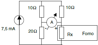
O sensor de temperatura Rx está tendo a sua calibração verificada por meio do circuito abaixo. O mesmo está aplicado num forno, primeiro numa temperatura de 60 °C e depois numa temperatura de 260 °C.

Assinale a opção que tenha, respectivamente, a leitura do Amperímetro nos dois casos, sabendo que o valor da resistência do RTD deve obedecer, em mA, à seguinte equação:
T (°C) = − 20 (°C/Ω) x Rx + 460 °C
Provas
A NBR 13.522 define o procedimento para a calibração de termopares por meio da comparação com um outro termopar de referência. Esta Norma prescreve o método de calibração de termopares convencionais e isolação mineral por comparação, baseando-se nas forças eletromotrizes térmicas (FEMt), geradas pelos termopares de ensaio e de referência.
Para calibração de termopares, os meios térmicos utilizados devem proporcionar, da melhor maneira possível, a mesma temperatura nas junções de medição dos termopares de ensaio e de referência. Sobre este método de calibração, assinale a afirmação correta.
Provas
- Modelo TCP/IPIntrodução ao Modelo TCP/IP
- Modelo TCP/IPModelo TCP/IP: Camada de Rede
- Modelo TCP/IPModelo TCP/IP: Camada de Transporte
- TCP/IPIPv4
Com o desenvolvimento tecnológico, a necessidade da redução dos custos pela concorrência entre empresas e as exigências cada vez maiores do mercado, começaram a ser introduzidos componentes e padrões de mercado nos sistemas de controle de processos industriais. O mesmo aconteceu com as redes de comunicação de dados destes sistemas de controle: de redes proprietárias e fechadas, passaram a utilizar as redes já estabelecidas e padronizadas no mercado. Dentre elas, uma das arquiteturas mais utilizadas é a TCP/IP.
Qual das afirmações abaixo NÃO se refere a esta arquitetura ou aos seus protocolos?
Provas
Na filosofia dos sistemas instrumentados de segurança para plantas de processos industriais, um dos mais importantes é o usualmente chamado ELE – Elétrico. Este sistema tem, como função, a(o):
Provas
Um Técnico de Instrumentação, com um osciloscópio em perfeito funcionamento, observa uma onda quadrada, com freqüência de 60 Hertz, proveniente de um gerador de sinais em perfeito estado de funcionamento. Ele mesmo observa que este sinal está com a forma de onda representada na Figura 1.

Seu supervisor identifica que há um problema com o ajuste do osciloscópio e o corrige, passando a forma de onda a ser a da Figura 2.

O supervisor atuou na chave seletora de:
Provas
Um equipamento contador de freqüência (freqüencímetro) está com sua entrada conectada à saída de um circuito retificador de onda completa, sem filtragem, contando seus pulsos retificados.
Na entrada deste circuito retificador há um gerador de freqüência senoidal ajustado para uma freqüência de 240(10) Hertz.

A saída numérica (mostrador) deste contador de freqüência apresenta um número apenas na forma hexadecimal.
O número ( (16) Hertz) que deverá aparecer no mostrador do contador de freqüência é:
Provas
Caderno Container