Foram encontradas 3.569 questões.
Numa planta industrial, há a necessidade de interligar 8 instrumentos inteligentes (com comunicação de dados) com um PLC que irá controlar os mesmos.
Como estes instrumentos estão em um local afastado dos demais e, ao invés de um canal de comunicação para cada instrumento, os mesmos serão multiplexados em um único canal, sendo que este sistema multiplex fraciona o canal de modo homogêneo entre os instrumentos multiplexados.
Cada instrumento tem uma taxa de transmissão de 31,25 k bps e, para implementar o seu processamento de modo eficiente, cada instrumento pode aceitar, no máximo, 5 bits errados em cada 2 M bits recebidos.
Com base nestas informações, analise a tabela de distância máxima (em metros) em função da BER e da taxa de transmissão do canal abaixo.

A distância máxima, em metros, que este Canal pode atingir, atendendo aos requisitos citados, é:
Provas
No circuito abaixo, V1 = 15 V e no LED D1, Imin = 1 mA, Imax = 25 mA e VLED = 2,0V.

Considerando a possibilidade de R1 assumir os valores de 110 Ω, 1400 Ω e 690 kΩ, é correto afirmar, que o LED:
Provas
Acidentes em unidades/plantas industriais com elevadas perdas materiais e humanas, além de graves danos ao meio ambiente, mostraram a necessidade de evolução dos sistemas de segurança iniciais. Por isso, foi criado o conceito dos Sistemas Instrumentados de Segurança (SIS) ou Sistemas de Intertravamento de Segurança.
Quanto à(s) forma(s) de atuação deste sistema, é correto afirmar que há:
Provas
Com o incremento na capacidade de processamento, com as redes de counicação de dados cada vez mais rápidas, eficientes e com meios de transmissão diferenciados, os sistemas de controle dos processos industriais podem supervisionar e atuar em funções muito mais complexas, através da realização de tarefas programadas e da tomada de decisões de forma automática.
De acordo com o tipo do processo, existirá um sistema de controle adequado. Os principais fatores na definição do sistema que irá atuar em cada caso estão relacionados ao tipo de variáveis a serem controladas e à distribuição da localização física (geográfica) destas variáveis. O sistema de controle SCADA (Supervisory Control and Data Aquisition) é adequado aos processos com:
Provas
Todo serviço executado em área industrial associa duas variáveis: a probabilidade de ocorrer um acidente em sua execução e a gravidade deste acidente. Associando estas duas variáveis, analise a tabela de risco de uma atividade que indica se o serviço tem um risco tolerável, intolerável, etc.

Sobre este risco, é correto afirmar que:
Provas
Considere o texto e o esquema abaixo para responder a questão.
No esquema abaixo, há o circuito de um transmissor que utiliza Comunicação Digital em sua saída. Trata-se de um transmissor de pressão com célula capacitiva e a variação do valor desta célula gera uma variação de freqüência no circuito oscilador, que é convertida diretamente em sinal de comunicação digital, por meio de uma técnica de codificação.

LOUREIRO ALVES, José Luiz. Instrumentação, Controle e Automação de Processos. Ed. LTC, 1a edição, 2005.
O esquema do circuito de um transmissor de pressão com célula capacitiva apresentado acima tem no seu conjunto sensor uma memória do tipo EEPROM. Esta memória se caracteriza por:
Provas
Considere o texto e o esquema abaixo para responder a questão.
No esquema abaixo, há o circuito de um transmissor que utiliza Comunicação Digital em sua saída. Trata-se de um transmissor de pressão com célula capacitiva e a variação do valor desta célula gera uma variação de freqüência no circuito oscilador, que é convertida diretamente em sinal de comunicação digital, por meio de uma técnica de codificação.

LOUREIRO ALVES, José Luiz. Instrumentação, Controle e Automação de Processos. Ed. LTC, 1a edição, 2005.
Qual a vantagem de se utilizar diretamente esta conversão?
Provas
O içamento e transporte de cargas, por meio de equipamentos específicos para este serviço - guindastes ou gruas - consiste em grande fonte de acidentes no ambiente de trabalho. Dentre os procedimentos de segurança listados abaixo, qual o que NÃO é relacionado diretamente a este serviço de içamento e transporte?
Provas
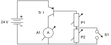
No esquema abaixo, há o circuito de um transmissor eletrônico analógico de informação. Nele, a saída está localizada onde está o Amperímetro A1 e a sua entrada é S1, que é a chave do sensor de fim de curso de uma válvula.

Este transmissor deve enviar as seguintes informações:
S1 Aberta = 4 mili Ampères em A1
S1 Fechada = 20 mili Ampères em A1
Sabendo que o transistor BJT Tr1 tem os seguintes dados: beta = 250 e Vbe = 0,6 Volts, os valores, em k Ohms, em que os potenciômetros P1 e P2 devem ser ajustados, respectivamente, são:
Provas
O termo analisador é usado para designar praticamente todos os instrumentos destinados à medição de variáveis de um processo,com exceção das variáveis fundamentais. Assim, a variável medida por um analisador é a(o):
Provas
Caderno Container