Foram encontradas 50 questões.

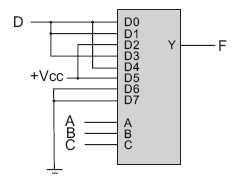
A figura acima apresenta um circuito digital, onde A, B, C e D são sinais lógicos de entrada. A expressão booleana correspondente ao sinal F é:
Provas
No multiplexador acima, C é a entrada de seleção mais significativa. A saída F do multiplexador representa a função:
Provas

No multiplexador acima, C é a entrada de seleção mais significativa. A saída F do multiplexador representa a função:
Provas
A base numérica na qual um número está descrito pode ser indicada por um subscrito, conforme o exemplo a seguir.
(11101)2 – base binária
O resultado da soma (256)10 + (1F)16 é igual a:
Provas

According to the text (lines 1-5), any serious study of English in the 21st century must start by examining:
Provas

A análise comparativa das opiniões I e II permite concluir que
Provas
Um impasse, de ordem ambiental e política, vem dificultando as relações no âmbito do Mercosul, devido à instalação de fábricas estrangeiras que produzem celulose a partir do eucalipto. Que países estão envolvidos no conflito em tela?
Provas
A entrada em funcionamento da plataforma flutuante P-50, na Bacia de Campos, acarretará ainda em 2006, a seguinte situação para a economia petrolífera brasileira:
Provas
O governo brasileiro tem recorrido à Organização Mundial do Comércio, a fim de solucionar enfrentamentos com o governo norte-americano. A discórdia entre os dois governos em foco ocorre recorrentemente em função de:
Provas
A economia agrícola regional do Centro-Oeste brasileiro tem apresentado um desempenho considerável, nos últimos anos. Esse desempenho agrícola tem como principal responsável o cultivo de:
Provas
Caderno Container