Foram encontradas 60 questões.

Observe os verbos em destaque abaixo.
"A baleia-bicuda-de-True chega a ter seis metros de comprimento e não se imaginava que pudesse chegar ao litoral brasileiro." (l. 34-36)
Indique a opção em que as duas formas do mesmo verbo têm o mesmo sentido.
Provas

Provas

Provas

"Os mares parecem guardar a resposta sobre a origem da vida..." (l. 3-4)
Indique a opção que NÃO reescreve adequadamente a sentença acima, de acordo com a norma culta.
Provas

Avalie se as afirmações abaixo são verdadeiras(V) ou falsas (F) em relação à interpretação do trecho "A fronteira da biodiversidade é azul." (l. 1)
( ) Só há biodiversidade nos mares.
( ) A fronteira é azul porque diz respeito ao mar e ao céu.
( ) A expectativa é de que haja muita vida desconhecida os oceanos.
A seqüência correta é:
Provas

Provas

Provas

Provas
Segundo a norma ISA S 5.1, os símbolos corretos para um sinal binário pneumático e um sinal binário elétrico, respectivamente, são:
Provas
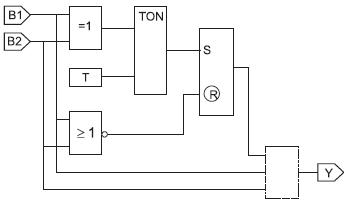
Considere o controle por CLP da operação de uma prensa pneumática. Por segurança, a prensa é acionada quando o operador pressiona dois botões dentro das seguintes especificações:
- com somente um botão pressionado, a prensa não funciona;
- com ambos os botões pressionados, a prensa funciona; se um botão é pressionado, mas o outro tarda mais que T segundos para ser pressionado, a prensa não funciona, e é necessário soltar os dois botões para reiniciar o processo;
- uma vez funcionando a prensa, e o operador liberando um dos botões, a prensa pára e não volta a funcionar se o botão demorar mais que T segundos para ser pressionado novamente, sendo necessário, neste caso, soltar os dois botões para reiniciar o processo.
Os sinais binários B1 e B2 correspondem ao acionamento de cada botão (=1 quando o botão é pressionado). Um cilindro pneumático move a prensa, sendo este controlado por uma válvula solenóide. O sinal binário Y corresponde ao acionamento do solenóide (=1 quando energizado). O programa em Blocos Funcionais para o controle do sistema é ilustrado na figura. No programa, TON é um temporizador com atraso no acionamento e o bloco set-reset possui prioridade no reset.

A opção que contém o bloco que completa corretamente a lacuna em tracejado na figura é:
Provas
Caderno Container