Foram encontradas 60 questões.
A dinâmica de um satélite, em relação a um dos seus eixos de rotação, pode ser aproximada pela função de transferência (G), relacionando a posição angular (!$ \circleddash !$) e o torque de posicionamento (T).
!$ G(s)={\large{\circleddash (s) \over T(s)}}={\large{1 \over s^2}} !$
Considere a malha de controle abaixo.

Um regulador C(s) que estabiliza o posicionamento do satélite é do tipo:
Provas
Uma planta eletromecânica não linear utiliza um eletroímã como atuador, gerando uma força função da corrente elétrica. Um ensaio de laboratório levantou a seguinte expressão da força, em N, em função da corrente, em A.
!$ f=4i^2+3i+5 !$.
Linearizando a curva para pequenas variações no entorno do ponto de corrente i0 = 5A, obtém-se a seguinte relação linear:!$ f=Mi+B !$. Os valores de M e B são, respectivamente:
Provas
Uma carga não linear é alimentada por um gerador senoidal de tensão:
!$ v(t)=120 \sqrt2 \sin(2 \pi 60t) !$, em volts.
A corrente fornecida possui uma componente de terceiro harmônico e é representada pela expressão:
!$ i(t)=10 \sqrt2 \sin(2 \pi 60t)+5 \sqrt2 \sin (6 \pi 60t) !$, em ampère. A potência ativa, ou seja, o valor médio, em W, da potência instantânea fornecida pelo gerador é:
Provas

A figura acima mostra o sinal de uma tensão senoidal, amostrada com uma taxa de 250 amostras por segundo, que passou pelo Zero Order Hold (ZOH) e será convertido em sinal digital. As linhas horizontais da figura mostram os níveis de quantização, onde o nível -4 V corresponde à seqüência de bits 0000. A quantização é feita aproximando-se o valor da amostra para o nível mais próximo.
Com base nos dados e nas informações gráficas, a linha correta da tabela que identifica a freqüência aproximada do sinal senoidal, em Hertz, e a seqüência de bits correspondente ao grupo de 3 amostras consecutivas marcadas na figura é:
| Freqüência do sinal |
Seqüência de bits |
Provas

O circuito da figura acima mostra um diodo zener de 16V alimentado por duas fontes CC. A potência dissipada no diodo, em mW, é:
Provas

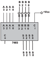
A figura acima ilustra um circuito contendo o chip 7483 (somador de 4 bits). Este circuito vai operar os números A = A3A2A1A0 e B = B3B2B1B0, resultando nas saídas S = S3S2S1S0 e C0 (carry da operação). As variáveis A, B e S podem assumir valores no conjunto {0, 1, 2, 3,... , 15}. Considere as seguintes afirmativas:
I - Se A>B, então C0 = 1
II - Se B>A, então S = B - A
III - Se A = B, então S = 0 e C0 = 0
A(s) afirmativa(s) correta(s) é(são) apenas:
Provas

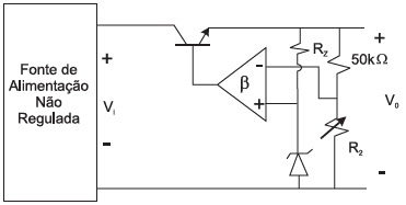
O circuito da figura acima corresponde a uma fonte regulada com tensão de saída variável. O regulador é alimentado com uma tensão não regulada de 50 V. O amplificador operacional amplifica a diferença entre seus terminais de entrada por um ganho !$ \beta !$ = 50000. O diodo zener proporciona uma tensão de referência de 6 V e o resistor Rz foi dimensionado para limitar a corrente no zener. Quando o valor da resistência R2 do potenciômetro varia entre 100 k!$ Ω !$ e 10 k!$ Ω !$ , variação suficiente para manter o transistor operando na região ativa, a tensão de saída da fonte, em V, variará entre:
Provas

A figura acima ilustra o modelo para pequenos sinais, operando na faixa de médias freqüências, de um circuito transistorizado na configuração emissor comum. O ganho de corrente I2/I1 neste circuito é:
Provas
- Aspectos Gerais da Comunicação OficialPrincípios da Redação Oficial
- Manual de Redação da Presidência da RepúblicaAs Comunicações OficiaisPadrão OfícioPartes do documento no Padrão Ofício
- Manual de Redação da Presidência da RepúblicaAs Comunicações OficiaisPadrão OfícioO Padrão Ofício

Provas
- Ortografia
- MorfologiaVerbosConjugaçãoFlexão Verbal de Modo
- MorfologiaVerbosConjugaçãoFlexão Verbal de Tempo

Provas
Caderno Container