Foram encontradas 50 questões.
No Autocad 2000, quando é necessário desenhar um objeto em uma posição relativa a um outro objeto previamente desenhado, utiliza-se o object snaps. O objeto de precisão Midpoint (mid) tem sua utilidade em
Provas
Para a execução de uma obra, uma área de 1 ha necessita ser cortada em 12 cm. Considerando que o material resultante da limpeza do terreno, quando solto, tem seu volume aumentado em 25%, esse volume, em m3, vale
Provas
Considere as afirmativas a seguir.
I – Concreto com resultado do ensaio de abatimento maior é mais fluido.
II – O fator A/C de um concreto não tem importância estrutural.
III – O vibrador de imersão só deve ser usado em obras marítimas.
É(São) correta(s) a(s) afirmativa(s)
Provas
A fundação em concreto armado, cuja carga é depositada no solo em forma de carga distribuída em uma placa, denomina-se
Provas
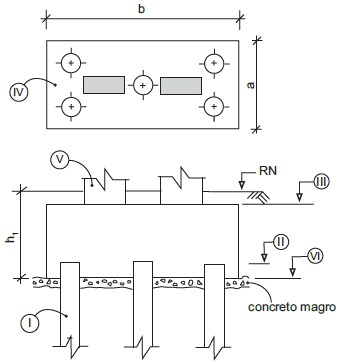
RN (Referência de Nível) = 10,00 m

A cota de arrasamento encontra-se assinalada como
Provas
RN (Referência de Nível) = 10,00 m

Considerando a = 2,00 m, b = 4,00 m, h1 = 2,50 m e nível III = 9,50 m, a área de forma do bloco de coroamento, em m2, vale
Provas
RN (Referência de Nível) = 10,00 m

De acordo com o desenho, é correto afirmar que
Provas
Observe a estrutura pré-moldada a seguir.

Sabendo-se que o estoque e o içamento serão na região do ponto 5, a correta seqüência de montagem é
Provas
Na leitura de um projeto de instalações elétricas prediais são encontrados os símbolos

Está correto afirmar que I e II, respectivamente, representam:
Provas
A figura abaixo esquematizada representa um corpo de prova cilíndrico de concreto, após o ensaio de compressão.

A fissura apresentada é do tipo
Provas
Caderno Container