Foram encontradas 2.308 questões.

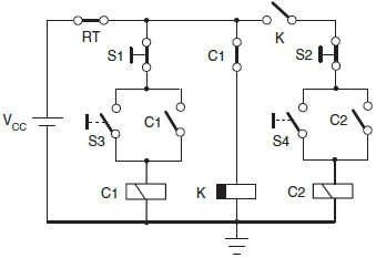
A figura acima apresenta o circuito de comando de duas máquinas trifásicas, acionadas por intermédio dos contatores C1 e C2. As chaves S1, S2, S3 e S4 são do tipo sem retenção e K representa um relé de tempo com retardo no desligamento de 3 minutos. Considere que acionar uma chave significa apertá-la e soltá-la logo em seguida. Com relação ao funcionamento do sistema em condições normais e supondo os contatores C1 e C2 inicialmente desenergizados, analise as afirmativas a seguir.
I - Se a chave S3 for acionada, então, passados 10 minutos, o acionamento da chave S4 será inútil para colocar em funcionamento a máquina comandada por C2.
II - Acionando-se a chave S4, a máquina comandada por C2 entrará em funcionamento. Passados 15 minutos, o operador aciona a chave S3. Neste caso, ambas as máquinas funcionarão simultaneamente até que ocorra uma nova interferência do operador.
III - A máquina comandada por C1 poderá ser acionada, independente de a máquina comandada por C2 estar desligada ou em funcionamento.
É correto o que se afirma em
Provas
Para a operação em paralelo, os geradores trifásicos NÃO precisam possuir a mesma
Provas

A figura acima mostra um ohmímetro série que usa um galvanômetro de bobina móvel com 100 !$ \mu !$A de fundo de escala, cuja resistência interna da bobina é de 50!$ \Omega !$, e que está alimentado por uma pilha de 1,5 V. Rp é um potenciômetro para o ajuste zero da escala. Com as pontas de prova em curto, qual o valor de Rp, em k!$ \Omega !$, para que ocorra o ajuste zero?
Provas
O trabalho em uma mina precisa detonar cargas explosivas, que serão acionadas a distância e com o uso de espoleta elétrica, ligada a uma bateria através de fios elétricos. Para ser acionada, a espoleta exige, em seus terminais, uma tensão mínima de 9 V e uma corrente mínima de 1 A. A distância mínima de segurança é de 100 metros, e o técnico dispõe de uma bateria de automóvel de 12 V cuja resistência interna é desprezível.
O fio a ser adquirido para executar o trabalho proposto com eficiência deve apresentar, no máximo, uma perda resistiva, em ohms/metro, de:
Provas

Um barra metálica YZ de resistência desprezível e comprimento L = 70 cm desliza, sem atrito e com velocidade constante v = 72 km/h, sobre dois trilhos condutores muito longos de resistência nula e interligados por um resistor de resistência R. O conjunto se encontra imerso em um campo de indução magnética uniforme B = 2 T perpendicular ao plano da página, conforme ilustrado na figura acima. Qual o valor da resistência R, em ohms, para que o módulo da corrente que passa pelo resistor seja igual a 2 A?
Provas

A figura acima apresenta um circuito C.A. monofásico, cuja fonte de tensão VIN tem freqüência !$ \omega !$. A impedância da carga, em ohms, encontra-se na figura.
Para que o fator de potência da carga seja elevado para 1 (um), um capacitor será colocado em paralelo com a carga da figura. O módulo da reatância capacitiva, em ohms, desse capacitor é, aproximadamente,
Provas

A figura acima apresenta um circuito C.A. monofásico, cuja fonte de tensão VIN tem freqüência !$ \omega !$. A impedância da carga, em ohms, encontra-se na figura.
O fator de potência da carga nas condições apresentadas na figura é
Provas

A figura acima apresenta um circuito C.A. monofásico, cuja fonte de tensão VIN tem freqüência !$ \omega !$. A impedância da carga, em ohms, encontra-se na figura.
Se a freqüência da fonte for elevada para 3!$ \omega !$, então a impedância da carga, em ohms, passará a ser
Provas

Uma bateria alimenta um circuito elétrico puramente resistivo e apresenta um comportamento tensão x corrente de acordo com a reta de carga mostrada na figura acima. Se, em um dado momento, a corrente exigida pelo circuito for de 2,4 A, qual será a tensão, em V, nos terminais da bateria?
Provas

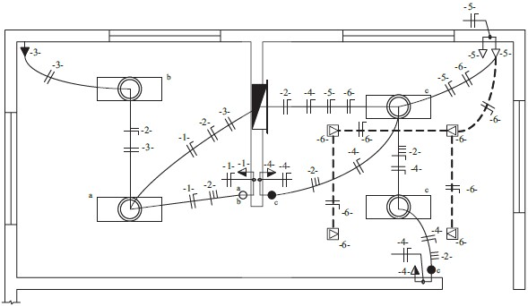
Em relação ao projeto elétrico apresentado na figura acima, considere as afirmativas a seguir.
I - Existem duas tomadas de luz a 2.000 mm do piso acabado.
II - Existe apenas um circuito que alimenta os pontos de luz incandescente embutidos no teto.
III - Apenas um dos circuitos é bifásico.
É(São) correta(s) APENAS a(s) afirmativa(s)
Provas
Caderno Container